Home / Products / Flanges / Orifice Flanges
We are a company focused on engineering and business activities in the area of environmental technologies. Our Product Supply Division offers a broad portfolio of Steel Flanges and Orifice Flanges.
Quality assurance is carried throughout the process from the raw material purchasing to processing, packing, storage and transportation. Every process strictly conforms to the ISO 9001:2008. "Quality First" is our promise forever to any of our customers. Our products are 100% inspected before being packed and dispatched & all our materials are tested to International standards. We have 3 levels to check quality of our products. We also accept any Third Party of Inspection appointed by our customers, such as Lloyd's Register, TUV, DNV, BV, SGS, IEI, SAI and etc.
Orifice Flanges

Orifice Flanges In Carbon, Alloy and Stainless
300 LB through 2500 LB
Raised Face or Ring Joint

Orifice Flange Unions are designed and manufactured to AGA, ASME, and ISA recommendations. We offer the following types:
- Slip on threaded ring joint corner tap weld neck orifice flanges.
- Raised Face weld neck orifice flanges.
- Raised Face slip-on orifice flange manufacturers.
- Ring-Type joint weld neck orifice flanges.
- Corner tap orifice flanges
Materials used to produce Orifice flanges:
- Aluminum
- Brass
- Bronze
- Cast iron
- Stainless Steel
- Carbon Steel
- Alloy
- Nickel
- Copper etc
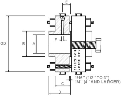
Dimensions

300# RFS0 ORIFICE FLANGE UNION


MATERIALS: A105 (C.S.) AND A182 (S.S.)
Other materials and schedules available
HARDWARE:
- Stud Bolts:A193 Gr. B7 Steel
- Hex Nuts:A194 Gr. 2H Steel
- Jackscrew:C1018 Hardened Square Head Screws
- Pipe Plugs:Hex Head, Forged Steel
- Ring Gaskets:C4430 Non-Asbestos
Manufactured to meet
A.G.A Report #3-2
A.P.I 14.3
ASME SPECIFICATIONS
Orifice Plates sold seperate
600# RFS0 ORIFICE FLANGE UNION


MATERIALS:
Domestic A105 (C.S.) AND A182 (S.S.)
Other materials and schedules available
HARDWARE:
Stud Bolts:A193 Gr. B7 Steel
Hex Nuts:A194 Gr. 2H Steel
Jackscrew:C1018 Hardened Square Head Screws
Pipe Plugs:Hex Head, Forged Steel
Ring Gaskets: C4430 Non-Asbestos
Manufactured to meet
A.G.A Report #3
A.P.I 14.3
ASME SPECIFICATIONS
Orifice Plates sold seperate

Key Features:
- Come with either raised faces or ring type joint (RTJ) facings.
- Available with raised face or RTJ face
- Used for flow/rate metering of piping systems
- Steel Tubes can supply the plate, pressure connection holes, and jack screws with the orifice flange unit
- The orifice flanges have modifications of radial tapped holes in the flange ring for meter connections. Need A Reliable Fitting?
- There are the orifice plate carriers in these flanges for the reason of fitting meter connections.
- The additional bolts available serve as a jack to allow the separation of the two flanges to change the orifice plate or for other relevant services like inspection.

Uses of orifice flanges:
- Orifice flange is used to flow/rate metering of piping systems.
- They are used for all intensive purposes, similar to weld neck and slip-on flanges with extra machining.
300# Slip_On Orifice Flange
300# Weld Neck Orifice Flange
600# Weld Neck Orifice (raised face and RTJ ring type joint) Flange
900# Weld Neck Orifice (raised face and RTJ ring type joint) Flange
1500# Weld Neck Orifice (raised face and RTJ ring type joint) Flange
2500# Weld Neck Orifice (raised face and RTJ ring type joint) Flange
Orifice Flange - SLIP - ON (OS)

CLASS 600# ANSI B16.36 • Orifice Flanges
Weld Neck Dimensional Data


CLASS 900# ANSI B16.36 • Orifice Flanges
Weld Neck Dimensional Data


CLASS 1500# ANSI B16.36 • Orifice Flanges
Weld Neck Dimensional Data

CLASS 2500# ANSI B16.36 • Orifice Flanges
Weld Neck Dimensional Data

Main Export Market
- Eastern Europe
- North America
- Mid East/Africa
- Central/South America
- Asia
- Western Europe
- Australasia
- UAE
U.A.E,
Oman,
Saudi Arabia,
Qatar,
Bahrain,
Egypt,
Turkey
Singapore,
Thailand,
Malaysia
Indonesia
Poland
Italy
Portugal
Spain
Brazil
Chile
Venezuela
Costa Rica
USA
Canada
Angola
Sri Lanka
Russia
→ PRODUCTS
- Forged Flanges
- Blind Flanges
- Spectacle Blinds
- High Hub Blinds
- Orifice Flanges
- Slip-on Flanges
- Socket Weld Flanges
- Weld Neck Flanges
- Flat Flanges
- Threaded Flanges
- Lapped Joint Flanges (Loose Flanges)
- Reducing Flanges
- Weld Neck Flanges Series A or B
- Square Flanges
- Groove & Tongue Flanges
- Long Neck Weld Flanges
- WNRF Flanges
- BLRF Flanges
- SORF Flanges
- Screwed Flanges
- Ring Type Joint Flanges
- RTJ Flanges
- SWRF Flanges
- Flange Facing Type & Finish
- Spades and Ring Spacers (part of flange connection)
- Weldo Flange / Nipo Flange
- Expander Flange
- Flanges Dimension
- ANSI / ASA B16.5 FLANGE
- ANSI B16.47 FLANGE
- DIN FLANGE PN6-PN40
- UNI FLANGE PN6-PN40
- EN 1092-1 FLANGE PN6-PN40
- JIS B 2220 FLANGE
- BS 4504 FLANGE PN6-PN40
- BS 10 FLANGE
- SABS / SANS 1123 FLANGE
- GOST / ГОСТ 12820-80 Flange
- GOST / ГОСТ 12821-80 Flange
- MSS SP44 FLANGE
- API FLANGE
- AWWA C207 FLANGE
- ISO FLANGE
- FRENCH NFE 29203 FLANGE
- AUSTRALIAN FLANGE
- NORWEGIAN NS FLANGE
- SWISS VSM FLANGE
- KOREAN FLANGES
- PDF Download
- ANSI B16.5 Class 150 LBS Blind Flange
- ANSI B16.5 Class 150 LBS Lap Joint Flange
- ANSI B16.5 Class 150 LBS Slip On Flange
- ANSI B16.5 Class 150 LBS Socket Welding Flange
- ANSI B16.5 Class 150 LBS Threaded Flange
- ANSI B16.5 Class 150 LBS Weld Neck Flange
- ANSI B16.5 Class 300 LBS Blind Flange
- ANSI B16.5 Class 300 LBS Lap Joint Flange
- ANSI B16.5 Class 300 LBS Slip On Flange
- ANSI B16.5 Class 300 LBS Threaded Flange
- ANSI B16.5 Class 300 LBS Weld Neck Flange
- ANSI B16.5 Class 400 LBS Blind Flange
- ANSI B16.5 Class 400 LBS Lap Joint Flange
- ANSI B16.5 Class 400 LBS Slip On Flange
- ANSI B16.5 Class 400 LBS Threaded Flange
- ANSI B16.5 Class 400 LBS Weld Neck Flange
- ANSI B16.5 Class 600 LBS Blind Flange
- ANSI B16.5 Class 600 LBS Lap Joint Flange
- ANSI B16.5 Class 600 LBS Slip On Flange
- ANSI B16.5 Class 600 LBS Socket Welding Flange
- ANSI B16.5 Class 600 LBS Threaded Flange
- ANSI B16.5 Class 600 LBS Weld Neck Flange
- ANSI B16.5 Class 900 LBS Blind Flange
- ANSI B16.5 Class 900 LBS Lap Joint Flange
- ANSI B16.5 Class 900 LBS Slip On Flange
- ANSI B16.5 Class 900 LBS Threaded Flange
- ANSI B16.5 Class 900 LBS Weld Neck Flange
- ANSI B16.5 Class 1500 LBS Blind Flange
- ANSI B16.5 Class 1500 LBS Lap Joint Flange
- ANSI B16.5 Class 1500 LBS Slip On Flange
- ANSI B16.5 Class 1500 LBS Threaded Flange
- ANSI B16.5 Class 1500 LBS Weld Neck Flange
- ANSI B16.5 Class 2500 LBS Blind Flange
- ANSI B16.5 Class 2500 LBS Lap Joint Flange
- ANSI B16.5 Class 2500 LBS Threaded Flange
- ANSI B16.5 Class 2500 LBS Weld Neck Flange
- ASME B16.47 Series A Flange
- ASME B16.47 Series B Flange
- ANSI B16.36 Orifice Flange
- Butt-Welding Fittings
- Forged Fittings Type Thread Fittings
- Forged Fittings Type Socket Weld
- Fasteners
- Pipes & Tubes
- Sheets & Plates
- Round Bar
- Forgings
- Welding Electrodes


We are regular suppliers from India for Orifice Flanges
|
||||||||||||||||||||||||||||


