Home / Products / Flanges / ASME B16.5 Welding Neck Flanges
We are a company focused on engineering and business activities in the area of environmental technologies. Our Product Supply Division offers a broad portfolio of Steel Flanges and ASME B16.5 Welding Neck Flanges.
ASME B16.5 Welding Neck Flanges / WNRF Flange

Production Capacity & Business Details
- Supply Flange Dimension DN15 - DN2000 (1/2" - 80"), Forged Flange.
- Material Carbon Steel: ASTM A105, ASTM A350 LF1, A350LF2, A350LF3, A36, ASTM A234 WPB, Q235B, 20#, 20Mn etc.
- Material Stainless Steel: ASTM A182 F304, F304L, F316, F316L, F321 etc.
- Flanges Anti Rust: Anti Rust Oil, Black Paint Coating, Yellow Paint Coating, Hot Dipped Galvanized, Cold Galvanized, etc.
- Delivery Terms: CIF, CFR, FOB, One 20GP Can Fill in Flanges within 18 - 27 tons.
- Payment Terms: Wire Transfer (T/T), Irrevocable L/C at Sight etc.
- Minimum Order Quantity: 100Pcs.
- Monthly Output: 3000 tons per Month.
- Sales Country and Region: More than 30 Countries and Areas.
- Quality Guarantee: EN10204 3.1 Certificate, Mill Certificate, Retested Certificate, Free Replacement Service.
- Find More Requirements In Flanges Market.
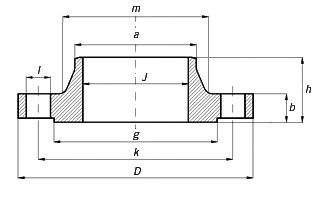
Dimensions
ANSI, ASME, ASA, B16.5 WELDING NECK FLANGE RF

| ANSI, ASME, ASA, B16.5 150lb/sq.in. WELDING NECK FLANGE RF | |||||||||||
| ø | D | b | g | m | a | J* | h | k | Holes | l | Kg. |
| 1/2" | 88,9 | 11,1 | 34,9 | 30,2 | 21,3 | 15,7 | 47,6 | 60,3 | 4 | 15,9 | 0,500 |
| 3/4" | 98,4 | 12,7 | 42,9 | 38,1 | 26,7 | 20,8 | 52,4 | 69,8 | 4 | 15,9 | 0,700 |
| 1" | 107,9 | 14,3 | 50,8 | 49,2 | 33,5 | 26,7 | 55,6 | 79,4 | 4 | 15,9 | 1,100 |
| 1 1/4" | 117,5 | 15,9 | 63,5 | 58,8 | 42,2 | 35,1 | 57,1 | 88,9 | 4 | 15,9 | 1,500 |
| 1 1/2" | 127,0 | 17,5 | 73,0 | 65,1 | 48,3 | 40,9 | 61,9 | 98,4 | 4 | 15,9 | 1,800 |
| 2" | 152,4 | 19,0 | 92,1 | 77,8 | 60,3 | 52,6 | 63,5 | 120,6 | 4 | 19,0 | 2,700 |
| 2 1/2" | 177,8 | 22,2 | 104,8 | 90,5 | 73,1 | 62,7 | 69,8 | 139,7 | 4 | 19,0 | 4,400 |
| 3" | 190,5 | 23,8 | 127,0 | 107,9 | 88,9 | 78,0 | 69,8 | 152,4 | 4 | 19,0 | 5,200 |
| 3 1/2" | 215,9 | 23,8 | 139,7 | 122,2 | 101,6 | 90,2 | 71,4 | 177,8 | 8 | 19,0 | 6,400 |
| 4" | 228,6 | 23,8 | 157,2 | 134,9 | 114,3 | 102,4 | 76,2 | 190,5 | 8 | 19,0 | 7,500 |
| 5" | 254,0 | 23,8 | 185,7 | 163,5 | 141,2 | 128,3 | 88,9 | 215,9 | 8 | 22,2 | 9,200 |
| 6" | 279,4 | 25,4 | 215,9 | 192,1 | 168,4 | 154,2 | 88,9 | 241,3 | 8 | 22,2 | 11,000 |
| 8" | 342,9 | 28,6 | 269,9 | 246,1 | 219,1 | 202,7 | 101,6 | 298,4 | 8 | 22,2 | 18,300 |
| 10" | 406,4 | 30,2 | 323,8 | 304,8 | 273,0 | 254,5 | 101,6 | 361,9 | 12 | 25,4 | 25,000 |
| 12" | 482,6 | 31,7 | 381,0 | 365,1 | 323,8 | 304,8 | 114,3 | 431,8 | 12 | 25,4 | 39,000 |
| 14" | 533,4 | 34,9 | 412,7 | 400,0 | 355,6 | 336,5 | 127,0 | 476,2 | 12 | 28,6 | 51,000 |
| 16" | 596,9 | 36,5 | 469,9 | 457,2 | 406,4 | 387,3 | 127,0 | 539,7 | 16 | 28,6 | 60,000 |
| 18" | 635,0 | 39,7 | 533,4 | 504,8 | 457,2 | 438,1 | 139,7 | 577,8 | 16 | 31,7 | 71,000 |
| 20" | 698,5 | 42,9 | 584,2 | 558,8 | 508,0 | 488,9 | 144,5 | 635,0 | 20 | 31,7 | 88,000 |
| 22" | 749,3 | 46,0 | 641,2 | 609,6 | 558,8 | 539,7 | 149,2 | 692,1 | 20 | 34,9 | 102,000 |
| 24" | 812,8 | 47,6 | 692,1 | 663,6 | 609,6 | 590,5 | 152,4 | 749,3 | 20 | 34,9 | 119,000 |
| * | The data "J" corresponds to the STD schedule | ||||||||||
NOTE:
1. Class 150 flanges except Lap Joint will be furnished with 0.06 (1.6mm) raised face, which is included in ‘Thickness’ (C) and ‘Length through Hub’ (Y1), (Y3).
2. For Slip-on, Threaded, Socket Welding and Lap Joint Flanges, the hubs can be shaped either vertical from base to top or tapered within the limits of 7 degrees.
3. Blind Flanges may be made with the same hub as that used for Slip-on Flanges or without hub.
4. The gasket surface and backside (bearing surface for bolting) are made parallel within 1 degree. To accomplish parallelism, spot facing is carried out according to MSS SP-9, without reducing thickness (C).
5. Depth of Socket (D) is covered by ANSI B 16.5 only in sizes through 3 inch, over 3 inch is at the manufacturer’s option.
6. Welding Neck Flange Bore Size SCH10, SCH20, SCH30, STD, SCH40, SCH60, SCH80, SCH100, SCH 120, SCH140, SCH160, XS

| ANSI, ASME, ASA B16.5 300lb/sq.in. WELDING NECK FLANGE RF | |||||||||||
| ø | D | b | g | m | a | J* | h | k | Holes | l | Kg. |
| 1/2" | 95,2 | 14,3 | 34,9 | 38,1 | 21,3 | 15,7 | 52,4 | 66,7 | 4 | 15,9 | 0,900 |
| 3/4" | 117,5 | 15,9 | 42,9 | 47,6 | 26,7 | 20,8 | 57,1 | 82,5 | 4 | 19,0 | 1,500 |
| 1" | 123,8 | 17,5 | 50,8 | 54,0 | 33,5 | 26,7 | 61,9 | 88,9 | 4 | 19,0 | 1,900 |
| 1 1/4" | 133,3 | 19,0 | 63,5 | 63,5 | 42,2 | 35,1 | 65,1 | 98,4 | 4 | 19,0 | 2,600 |
| 1 1/2" | 155,6 | 20,6 | 73,0 | 69,8 | 48,3 | 40,9 | 68,3 | 114,3 | 4 | 22,2 | 3,300 |
| 2" | 165,1 | 22,2 | 92,1 | 84,1 | 60,3 | 52,6 | 69,8 | 127,0 | 8 | 19,0 | 3,600 |
| 2 1/2" | 190,5 | 25,4 | 104,8 | 100,0 | 73,1 | 62,7 | 76,2 | 149,2 | 8 | 22,2 | 5,400 |
| 3" | 209,5 | 28,6 | 127,0 | 117,5 | 88,9 | 78,0 | 79,4 | 168,3 | 8 | 22,2 | 7,400 |
| 3 1/2" | 228,6 | 30,2 | 139,7 | 133,3 | 101,6 | 90,2 | 81,0 | 184,1 | 8 | 22,2 | 8,900 |
| 4" | 254,0 | 31,7 | 157,2 | 146,0 | 114,3 | 102,4 | 85,7 | 200,0 | 8 | 22,2 | 11,900 |
| 5" | 279,4 | 34,9 | 185,7 | 177,8 | 141,2 | 128,3 | 98,4 | 234,9 | 8 | 22,2 | 16,000 |
| 6" | 317,5 | 36,5 | 215,9 | 206,4 | 168,4 | 154,2 | 98,4 | 269,9 | 12 | 22,2 | 20,200 |
| 8" | 381,0 | 41,3 | 269,9 | 260,3 | 219,1 | 202,7 | 111,1 | 330,2 | 12 | 25,4 | 31,000 |
| 10" | 444,5 | 47,6 | 323,4 | 320,7 | 273,0 | 254,5 | 117,5 | 387,3 | 16 | 28,6 | 44,300 |
| 12" | 520,7 | 50,8 | 381,0 | 374,6 | 323,8 | 304,8 | 130,2 | 450,8 | 16 | 31,7 | 64,000 |
| 14" | 584,2 | 54,0 | 412,7 | 425,4 | 355,6 | 336,5 | 142,9 | 514,3 | 20 | 31,7 | 88,000 |
| 16" | 647,7 | 57,1 | 469,9 | 482,6 | 406,4 | 387,3 | 146,0 | 571,5 | 20 | 34,9 | 113,000 |
| 18" | 711,2 | 60,3 | 533,4 | 533,4 | 457,2 | 438,1 | 158,7 | 628,6 | 24 | 34,9 | 134,000 |
| 20" | 774,7 | 63,5 | 584,2 | 587,4 | 508,0 | 488,9 | 161,9 | 685,8 | 24 | 34,9 | 171,000 |
| 22" | 838,2 | 66,7 | 641,2 | 641,2 | 558,8 | 539,7 | 165,1 | 742,9 | 24 | 41,3 | 195,000 |
| 24" | 914,4 | 69,8 | 692,1 | 701,7 | 609,6 | 590,5 | 168,3 | 812,8 | 24 | 41,3 | 238,000 |
| * | The data "J" corresponds to the STD schedule | ||||||||||
NOTE:
1. Class 300 flanges except Lap Joint will be furnished with 0.06 (1.6mm) raised face, which is included in ‘Thickness’ (C) and ‘Length through Hub’ (Y1), (Y3).
2. For Slip-on, Threaded, Socket Welding and Lap Joint Flanges, the hubs can be shaped either vertical from base to top or tapered within the limits of 7 degrees.
3. Blind Flanges may be made with the same hub as that used for Slip-on Flanges or without hub.
4. The gasket surface and backside (bearing surface for bolting) are made parallel within 1 degree. To accomplish parallelism, spot facing is carried out according to MSS SP-9, without reducing thickness (C).
5. Depth of Socket (D) is covered by ANSI B 16.5 only in sizes through 3 inch, over 3 inch is at the manufacturer’s option.
6. Welding Neck Flange Bore Size SCH10, SCH20, SCH30, STD, SCH40, SCH60, SCH80, SCH100, SCH 120, SCH140, SCH160, XS

| ANSI/ASME/ASA B16.5 600lb/sq.in. WELDING NECK FLANGE RF | |||||||||||
| ø | D | b | g | m | a | J* | h | k | Holes | l | Kg. |
| 1/2" | 95,2 | 14,3 | 34,9 | 38,1 | 21,3 | 15,7 | 52,4 | 66,7 | 4 | 15,9 | 0,900 |
| 3/4" | 117,5 | 15,9 | 42,9 | 47,6 | 26,7 | 20,9 | 57,1 | 82,5 | 4 | 19,0 | 1,500 |
| 1" | 123,8 | 17,5 | 50,8 | 54,0 | 33,5 | 26,7 | 61,9 | 88,9 | 4 | 19,0 | 1,900 |
| 1 1/4" | 133,3 | 20,6 | 63,5 | 63,5 | 42,2 | 35,0 | 66,7 | 98,4 | 4 | 19,0 | 2,600 |
| 1 1/2" | 155,6 | 22,2 | 73,0 | 69,8 | 48,3 | 40,9 | 69,8 | 114,3 | 4 | 22,2 | 3,300 |
| 2" | 165,1 | 25,4 | 92,1 | 84,1 | 60,3 | 52,6 | 73,0 | 127,0 | 8 | 19,0 | 4,700 |
| 2 1/2" | 190,5 | 28,6 | 104,8 | 100,0 | 73,1 | 62,7 | 79,4 | 149,2 | 8 | 22,2 | 6,500 |
| 3" | 209,5 | 31,7 | 127,0 | 117,5 | 88,9 | 78,0 | 82,5 | 168,3 | 8 | 22,2 | 8,700 |
| 3 1/2" | 228,6 | 34,9 | 139,7 | 133,3 | 101,6 | 90,1 | 85,7 | 184,1 | 8 | 25,4 | 11,200 |
| 4" | 273,0 | 38,1 | 157,2 | 152,4 | 114,3 | 102,4 | 101,6 | 215,9 | 8 | 25,4 | 18,100 |
| 5" | 330,2 | 44,4 | 185,7 | 188,9 | 141,2 | 128,2 | 114,3 | 266,7 | 8 | 28,6 | 30,500 |
| 6" | 355,6 | 47,6 | 215,9 | 222,2 | 168,4 | 154,2 | 117,5 | 292,1 | 12 | 28,6 | 36,200 |
| 8" | 419,1 | 55,6 | 269,9 | 273,0 | 219,1 | 202,7 | 133,3 | 349,2 | 12 | 31,7 | 56,500 |
| 10" | 508,0 | 63,5 | 323,8 | 342,9 | 273,0 | 254,5 | 152,4 | 431,8 | 16 | 34,9 | 91,000 |
| 12" | 558,8 | 66,7 | 381,0 | 400,0 | 323,8 | 304,8 | 155,6 | 488,9 | 20 | 34,9 | 105,000 |
| 14" | 603,2 | 69,8 | 412,7 | 431,8 | 355,6 | * | 165,1 | 527,0 | 20 | 38,1 | 125,000 |
| 16" | 685,8 | 76,2 | 469,9 | 495,3 | 406,4 | 177,8 | 603,2 | 20 | 41,3 | 178,000 | |
| 18" | 742,9 | 82,5 | 533,4 | 546,1 | 457,2 | 184,1 | 654,0 | 20 | 44,4 | 261,000 | |
| 20" | 812,8 | 88,9 | 584,2 | 609,6 | 508,0 | 190,5 | 723,9 | 24 | 44,4 | 268,000 | |
| 22" | 869,9 | 95,2 | 641,2 | 666,7 | 558,8 | 196,8 | 777,9 | 24 | 47,6 | 328,000 | |
| 24" | 939,8 | 101,6 | 692,1 | 717,5 | 609,6 | 203,2 | 838,2 | 24 | 50,8 | 380,000 | |
| * | The data "J" corresponds to the STD schedule | ||||||||||
| To be specifiedby customer | |||||||||||
NOTE:
1. Class 600 flanges except Lap Joint will be furnished with 0.25 (6.35mm) raised face, which is not included in ‘Thickness’ (C) and ‘Length through Hub’ (Y1), (Y3).
2. For Slip-on, Threaded, Socket Welding and Lap Joint Flanges, the hubs can be shaped either vertical from base to top or tapered within the limits of 7 degrees.
3. Blind Flanges may be made with the same hub as that used for Slip-on Flanges or without hub.
4. The gasket surface and backside (bearing surface for bolting) are made parallel within 1 degree. To accomplish parallelism, spot facing is carried out according to MSS SP-9, without reducing thickness (C).
5. Dimensions of sizes 1/2 through 3 1/2 are the same as for Class 400 Flanges.
6. Depth of Socket (D) is covered by ANSI B 16.5 only in sizes through 3 inch, over 3 inch is at the manufacturer’s option.
7. Welding Neck Flange Bore Size SCH10, SCH20, SCH30, STD, SCH40, SCH60, SCH80, SCH100, SCH 120, SCH140, SCH160, XS
Main Export Market
- Eastern Europe
- North America
- Mid East/Africa
- Central/South America
- Asia
- Western Europe
- Australasia
- UAE
U.A.E,
Oman,
Saudi Arabia,
Qatar,
Bahrain,
Egypt,
Turkey
Singapore,
Thailand,
Malaysia
Indonesia
Poland
Italy
Portugal
Spain
Brazil
Chile
Venezuela
Costa Rica
USA
Canada
Angola
Sri Lanka
Russia
→ PRODUCTS
- Forged Flanges
- Blind Flanges
- Spectacle Blinds
- High Hub Blinds
- Orifice Flanges
- Slip-on Flanges
- Socket Weld Flanges
- Weld Neck Flanges
- Flat Flanges
- Threaded Flanges
- Lapped Joint Flanges (Loose Flanges)
- Reducing Flanges
- Weld Neck Flanges Series A or B
- Square Flanges
- Groove & Tongue Flanges
- Long Neck Weld Flanges
- WNRF Flanges
- BLRF Flanges
- SORF Flanges
- Screwed Flanges
- Ring Type Joint Flanges
- RTJ Flanges
- SWRF Flanges
- Flange Facing Type & Finish
- Spades and Ring Spacers (part of flange connection)
- Weldo Flange / Nipo Flange
- Expander Flange
- Flanges Dimension
- ANSI / ASA B16.5 FLANGE
- ANSI B16.47 FLANGE
- DIN FLANGE PN6-PN40
- UNI FLANGE PN6-PN40
- EN 1092-1 FLANGE PN6-PN40
- JIS B 2220 FLANGE
- BS 4504 FLANGE PN6-PN40
- BS 10 FLANGE
- SABS / SANS 1123 FLANGE
- GOST / ГОСТ 12820-80 Flange
- GOST / ГОСТ 12821-80 Flange
- MSS SP44 FLANGE
- API FLANGE
- AWWA C207 FLANGE
- ISO FLANGE
- FRENCH NFE 29203 FLANGE
- AUSTRALIAN FLANGE
- NORWEGIAN NS FLANGE
- SWISS VSM FLANGE
- KOREAN FLANGES
- PDF Download
- ANSI B16.5 Class 150 LBS Blind Flange
- ANSI B16.5 Class 150 LBS Lap Joint Flange
- ANSI B16.5 Class 150 LBS Slip On Flange
- ANSI B16.5 Class 150 LBS Socket Welding Flange
- ANSI B16.5 Class 150 LBS Threaded Flange
- ANSI B16.5 Class 150 LBS Weld Neck Flange
- ANSI B16.5 Class 300 LBS Blind Flange
- ANSI B16.5 Class 300 LBS Lap Joint Flange
- ANSI B16.5 Class 300 LBS Slip On Flange
- ANSI B16.5 Class 300 LBS Threaded Flange
- ANSI B16.5 Class 300 LBS Weld Neck Flange
- ANSI B16.5 Class 400 LBS Blind Flange
- ANSI B16.5 Class 400 LBS Lap Joint Flange
- ANSI B16.5 Class 400 LBS Slip On Flange
- ANSI B16.5 Class 400 LBS Threaded Flange
- ANSI B16.5 Class 400 LBS Weld Neck Flange
- ANSI B16.5 Class 600 LBS Blind Flange
- ANSI B16.5 Class 600 LBS Lap Joint Flange
- ANSI B16.5 Class 600 LBS Slip On Flange
- ANSI B16.5 Class 600 LBS Socket Welding Flange
- ANSI B16.5 Class 600 LBS Threaded Flange
- ANSI B16.5 Class 600 LBS Weld Neck Flange
- ANSI B16.5 Class 900 LBS Blind Flange
- ANSI B16.5 Class 900 LBS Lap Joint Flange
- ANSI B16.5 Class 900 LBS Slip On Flange
- ANSI B16.5 Class 900 LBS Threaded Flange
- ANSI B16.5 Class 900 LBS Weld Neck Flange
- ANSI B16.5 Class 1500 LBS Blind Flange
- ANSI B16.5 Class 1500 LBS Lap Joint Flange
- ANSI B16.5 Class 1500 LBS Slip On Flange
- ANSI B16.5 Class 1500 LBS Threaded Flange
- ANSI B16.5 Class 1500 LBS Weld Neck Flange
- ANSI B16.5 Class 2500 LBS Blind Flange
- ANSI B16.5 Class 2500 LBS Lap Joint Flange
- ANSI B16.5 Class 2500 LBS Threaded Flange
- ANSI B16.5 Class 2500 LBS Weld Neck Flange
- ASME B16.47 Series A Flange
- ASME B16.47 Series B Flange
- ANSI B16.36 Orifice Flange
- Butt-Welding Fittings
- Forged Fittings Type Thread Fittings
- Forged Fittings Type Socket Weld
- Fasteners
- Pipes & Tubes
- Sheets & Plates
- Round Bar
- Forgings
- Welding Electrodes


We are regular suppliers from India for ASME B16.5 Welding Neck Flanges
|
||||||||||||||||||||||||||||

