Home / Products / Flanges / SABS 1123 Class 600 Flange
We Are Well Known Flanges Manufacturers In India.We are reckoned amongst the prominent Stainless Steel and Duplex Steel flanges manufacturers and exporters of a wide range of Industrial Flanges. These forged flanges are designed in accordance with the industrial standards and are fabricated using quality material. Our flanges are known for excellent performance, resistance against corrosion and durability. Available in standard specifications, our flanges range can also be customized as per the requirements of our clients.
SABS 1123 Class 600 Flange

- WN Flange: T600/2, T1000/2, T1600/2, T2500/2, T4000/2
- Slip on Flange: T600/5, T1000/5, T1600/5, T2500/5, T4000/5
- Plate Flange: T600/3, T1000/3, T1600/3, T2500/3, T4000/3
- Blind Flange: T600/8, T1000/8, T1600/8, T2500/8, T4000/8
- Threaded Flange: T600/4, T1600/4
- Backing Ring Flange with Hot Dipped Galvanized
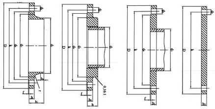
Dimensions
Dimensions & Masses SABS 1123 Flange Class 600kPa

SOUTH AFRICA STANDARD SABS/SANS 1123 FLANGE CLASS 600KPA SPECIFICATION
Nominal pressure 600 kPa 600/2 = Table 4 600/4 = Table 6 600/3 = Table 5 600/8 = Table 8 |
||||||||||||||||||
NB |
Pipe O.D. d1 |
Flange |
Raised Face |
Bolt |
Drilling |
Neck |
Boss |
|||||||||||
D |
b |
b1 |
b2 |
b3 |
h |
h1 |
d4 |
f |
No. |
d2 |
k |
d3 |
h2 |
r |
d5 |
|||
10 |
17.2 |
75 |
8 |
10 |
8 |
10 |
16 |
28 |
35 |
2 |
M10 |
4 |
11 |
50 |
26 |
6 |
4 |
25 |
15 |
21.3 |
80 |
8 |
10 |
8 |
10 |
16 |
30 |
40 |
2 |
M10 |
4 |
11 |
55 |
30 |
6 |
4 |
30 |
20 |
26.9 |
90 |
8 |
10 |
8 |
10 |
18 |
32 |
50 |
2 |
M10 |
4 |
11 |
65 |
38 |
6 |
4 |
40 |
25 |
33.7 |
100 |
8 |
10 |
8 |
10 |
18 |
35 |
60 |
2 |
M10 |
4 |
11 |
75 |
42 |
6 |
4 |
50 |
32 |
42.4 |
120 |
8 |
10 |
8 |
10 |
20 |
35 |
70 |
2 |
M12 |
4 |
14 |
90 |
55 |
6 |
6 |
60 |
40 |
48.3 |
130 |
8 |
10 |
8 |
10 |
20 |
38 |
80 |
3 |
M12 |
4 |
14 |
100 |
62 |
7 |
6 |
70 |
50 |
60.3 |
140 |
8 |
10 |
8 |
10 |
22 |
38 |
90 |
3 |
M12 |
4 |
14 |
110 |
74 |
8 |
6 |
80 |
65 |
76.1 |
160 |
8 |
10 |
8 |
10 |
26 |
38 |
110 |
3 |
M12 |
4 |
14 |
130 |
88 |
9 |
6 |
100 |
80 |
88.9 |
190 |
10 |
10 |
10 |
10 |
28 |
42 |
128 |
3 |
M16 |
4 |
18 |
150 |
102 |
10 |
8 |
110 |
100 |
114.3 |
210 |
10 |
10 |
10 |
10 |
34 |
45 |
148 |
3 |
M16 |
4 |
18 |
170 |
130 |
10 |
8 |
130 |
*125 |
139.7 |
240 |
13 |
12 |
13 |
12 |
39 |
48 |
178 |
3 |
M16 |
8 |
18 |
200 |
155 |
10 |
8 |
160 |
150 |
168.3 |
265 |
13 |
12 |
13 |
12 |
39 |
48 |
202 |
3 |
M16 |
8 |
18 |
225 |
184 |
12 |
10 |
185 |
*175 |
193.7 |
295 |
13 |
14 |
- |
14 |
- |
52 |
230 |
3 |
M16 |
8 |
18 |
255 |
210 |
12 |
10 |
- |
200 |
219.1 |
320 |
13 |
14 |
- |
14 |
- |
55 |
258 |
3 |
M16 |
8 |
18 |
280 |
236 |
15 |
10 |
- |
*225 |
244.5 |
345 |
16 |
16 |
- |
16 |
- |
58 |
285 |
3 |
M16 |
8 |
18 |
305 |
264 |
15 |
12 |
- |
250 |
273 |
375 |
16 |
16 |
- |
16 |
- |
60 |
312 |
3 |
M16 |
12 |
18 |
335 |
290 |
15 |
12 |
- |
300 |
323.9 |
440 |
20 |
20 |
- |
20 |
- |
62 |
365 |
4 |
M20 |
12 |
22 |
395 |
342 |
15 |
12 |
- |
350 |
355.6 |
490 |
22 |
22 |
- |
22 |
- |
62 |
415 |
4 |
M20 |
12 |
22 |
445 |
385 |
15 |
12 |
- |
400 |
406.4 |
540 |
22 |
22 |
- |
22 |
- |
65 |
465 |
4 |
M20 |
16 |
22 |
495 |
438 |
15 |
12 |
- |
450 |
457.2 |
595 |
24 |
25 |
- |
25 |
- |
65 |
520 |
4 |
M20 |
16 |
22 |
550 |
492 |
15 |
12 |
- |
500 |
508 |
645 |
24 |
25 |
- |
25 |
- |
68 |
570 |
4 |
M20 |
20 |
22 |
600 |
538 |
15 |
12 |
- |
550 |
559 |
705 |
24 |
28 |
- |
28 |
- |
68 |
620 |
5 |
M24 |
20 |
26 |
655 |
590 |
16 |
12 |
- |
600 |
609.6 |
755 |
24 |
30 |
- |
30 |
- |
70 |
670 |
5 |
M24 |
20 |
26 |
705 |
640 |
16 |
12 |
- |
| * NP = Nominal Pressure 600kPa, 1000kPa, 1600kPa, 2500kPa, 4000kPa | ||||||||||||||||||
Main Export Market
- Eastern Europe
- North America
- Mid East/Africa
- Central/South America
- Asia
- Western Europe
- Australasia
- UAE
U.A.E,
Oman,
Saudi Arabia,
Qatar,
Bahrain,
Egypt,
Turkey
Singapore,
Thailand,
Malaysia
Indonesia
Poland
Italy
Portugal
Spain
Brazil
Chile
Venezuela
Costa Rica
USA
Canada
Angola
Sri Lanka
Russia
→ PRODUCTS
- Forged Flanges
- Blind Flanges
- Spectacle Blinds
- High Hub Blinds
- Orifice Flanges
- Slip-on Flanges
- Socket Weld Flanges
- Weld Neck Flanges
- Flat Flanges
- Threaded Flanges
- Lapped Joint Flanges (Loose Flanges)
- Reducing Flanges
- Weld Neck Flanges Series A or B
- Square Flanges
- Groove & Tongue Flanges
- Long Neck Weld Flanges
- WNRF Flanges
- BLRF Flanges
- SORF Flanges
- Screwed Flanges
- Ring Type Joint Flanges
- RTJ Flanges
- SWRF Flanges
- Flange Facing Type & Finish
- Spades and Ring Spacers (part of flange connection)
- Weldo Flange / Nipo Flange
- Expander Flange
- Flanges Dimension
- ANSI / ASA B16.5 FLANGE
- ANSI B16.47 FLANGE
- DIN FLANGE PN6-PN40
- UNI FLANGE PN6-PN40
- EN 1092-1 FLANGE PN6-PN40
- JIS B 2220 FLANGE
- BS 4504 FLANGE PN6-PN40
- BS 10 FLANGE
- SABS / SANS 1123 FLANGE
> SABS 1123 Class 600 Flange
> SABS 1123 Class 1000 Flange
> SABS 1123 Class 1600 Flange
> SABS 1123 Class 2500 Flange
> SABS 1123 Class 4000 Flange
> Backing Ring Flange - GOST / ГОСТ 12820-80 Flange
- GOST / ГОСТ 12821-80 Flange
- MSS SP44 FLANGE
- API FLANGE
- AWWA C207 FLANGE
- ISO FLANGE
- FRENCH NFE 29203 FLANGE
- AUSTRALIAN FLANGE
- NORWEGIAN NS FLANGE
- SWISS VSM FLANGE
- KOREAN FLANGES
- PDF Download
- ANSI B16.5 Class 150 LBS Blind Flange
- ANSI B16.5 Class 150 LBS Lap Joint Flange
- ANSI B16.5 Class 150 LBS Slip On Flange
- ANSI B16.5 Class 150 LBS Socket Welding Flange
- ANSI B16.5 Class 150 LBS Threaded Flange
- ANSI B16.5 Class 150 LBS Weld Neck Flange
- ANSI B16.5 Class 300 LBS Blind Flange
- ANSI B16.5 Class 300 LBS Lap Joint Flange
- ANSI B16.5 Class 300 LBS Slip On Flange
- ANSI B16.5 Class 300 LBS Threaded Flange
- ANSI B16.5 Class 300 LBS Weld Neck Flange
- ANSI B16.5 Class 400 LBS Blind Flange
- ANSI B16.5 Class 400 LBS Lap Joint Flange
- ANSI B16.5 Class 400 LBS Slip On Flange
- ANSI B16.5 Class 400 LBS Threaded Flange
- ANSI B16.5 Class 400 LBS Weld Neck Flange
- ANSI B16.5 Class 600 LBS Blind Flange
- ANSI B16.5 Class 600 LBS Lap Joint Flange
- ANSI B16.5 Class 600 LBS Slip On Flange
- ANSI B16.5 Class 600 LBS Socket Welding Flange
- ANSI B16.5 Class 600 LBS Threaded Flange
- ANSI B16.5 Class 600 LBS Weld Neck Flange
- ANSI B16.5 Class 900 LBS Blind Flange
- ANSI B16.5 Class 900 LBS Lap Joint Flange
- ANSI B16.5 Class 900 LBS Slip On Flange
- ANSI B16.5 Class 900 LBS Threaded Flange
- ANSI B16.5 Class 900 LBS Weld Neck Flange
- ANSI B16.5 Class 1500 LBS Blind Flange
- ANSI B16.5 Class 1500 LBS Lap Joint Flange
- ANSI B16.5 Class 1500 LBS Slip On Flange
- ANSI B16.5 Class 1500 LBS Threaded Flange
- ANSI B16.5 Class 1500 LBS Weld Neck Flange
- ANSI B16.5 Class 2500 LBS Blind Flange
- ANSI B16.5 Class 2500 LBS Lap Joint Flange
- ANSI B16.5 Class 2500 LBS Threaded Flange
- ANSI B16.5 Class 2500 LBS Weld Neck Flange
- ASME B16.47 Series A Flange
- ASME B16.47 Series B Flange
- ANSI B16.36 Orifice Flange
- Butt-Welding Fittings
- Forged Fittings Type Thread Fittings
- Forged Fittings Type Socket Weld
- Fasteners
- Pipes & Tubes
- Sheets & Plates
- Round Bar
- Forgings
- Welding Electrodes


We are regular suppliers from India for SABS 1123 Class 600 Flange
|
||||||||||||||||||||||||||||

