Home / Products / Flanges / EN 1092-1 TYPE 11 Flange
We offer in reasonable price of EN 1092-1 TYPE 11 Flange are always our main priority. We are known as specialist in EN 1092-1 TYPE 11 Flange,70% of our customers are associated with us for their regular requirements of EN 1092-1 TYPE 11 Flange, Chinese suppliers also procures EN 1092-1 TYPE 11 Flange from us bcz.
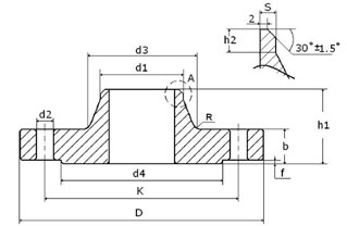
EN 1092-1 TYPE 11 Flange

Dimensions

Dimensions & Approx Masses of EN 1092-1 TYPE 11 Flange
| EN 1092-1 TYPE 11 PN6 WNRF FLANGE | |||||||||||||||
| Rated Diameter | Flange | Neck | Raised face | Screws | Weight (7,85 Kg/dm3) |
||||||||||
| d1 | k | D | b | h1 | d3 | s | r | h2 | d4 | f | d2 | Thread | Bolt holes | Kg | |
| 15 | 21,3 | 55 | 80 | 12 | 30 | 30 | 2,00 | 4 | 6 | 40 | 2 | 11 | M10 | 4 | 0,408 |
| 20 | 26,9 | 65 | 90 | 14 | 32 | 38 | 2,30 | 4 | 6 | 50 | 2 | 11 | M10 | 4 | 0,621 |
| 25 | 33,7 | 75 | 100 | 14 | 35 | 42 | 2,60 | 4 | 6 | 60 | 2 | 11 | M10 | 4 | 0,762 |
| 32 | 42,4 | 90 | 120 | 14 | 35 | 55 | 2,60 | 6 | 6 | 70 | 2 | 14 | M12 | 4 | 1,110 |
| 40 | 48,3 | 100 | 130 | 14 | 38 | 62 | 2,60 | 6 | 7 | 80 | 3 | 14 | M12 | 4 | 1,260 |
| 50 | 60,3 | 110 | 140 | 14 | 38 | 74 | 2,90 | 6 | 8 | 90 | 3 | 14 | M12 | 4 | 1,430 |
| 65 | 76,1 | 130 | 160 | 14 | 38 | 88 | 2,90 | 6 | 9 | 110 | 3 | 14 | M12 | 4 | 1,770 |
| 80 | 88,9 | 150 | 190 | 16 | 42 | 102 | 3,20 | 8 | 10 | 128 | 3 | 18 | M16 | 4 | 2,880 |
| 100 | 114,3 | 170 | 210 | 16 | 45 | 130 | 3,60 | 8 | 10 | 148 | 3 | 18 | M16 | 4 | 3,410 |
| 125 | 139,7 | 200 | 240 | 18 | 48 | 155 | 4,00 | 8 | 10 | 178 | 3 | 18 | M16 | 8 | 4,650 |
| 150 | 168,3 | 225 | 265 | 18 | 48 | 184 | 4,50 | 10 | 12 | 202 | 3 | 18 | M16 | 8 | 5,500 |
| 200 | 219,1 | 280 | 320 | 20 | 55 | 236 | 6,30 | 10 | 15 | 258 | 3 | 18 | M16 | 8 | 8,600 |
| 250 | 273,0 | 335 | 375 | 22 | 60 | 290 | 6,30 | 12 | 15 | 312 | 3 | 18 | M16 | 12 | 11,700 |
| 300 | 323,9 | 395 | 440 | 22 | 62 | 342 | 7,10 | 12 | 15 | 365 | 4 | 22 | M20 | 12 | 15,300 |
| 350 | 355,6 | 445 | 490 | 22 | 62 | 385 | 7,10 | 12 | 15 | 415 | 4 | 22 | M20 | 12 | 20,300 |
| 400 | 406,4 | 495 | 540 | 22 | 65 | 438 | 7,10 | 12 | 15 | 465 | 4 | 22 | M20 | 16 | 23,100 |
| 450 | 457,0 | 550 | 595 | 22 | 65 | 492 | 7,10 | 12 | 15 | 520 | 4 | 22 | M20 | 16 | 27,000 |
| 500 | 508,0 | 600 | 645 | 24 | 68 | 538 | 7,10 | 12 | 15 | 570 | 4 | 22 | M20 | 20 | 30,800 |
| 600 | 610,0 | 705 | 755 | 30 | 70 | 640 | 7,10 | 12 | 16 | 670 | 5 | 26 | M24 | 20 | 44,000 |
| 700 | 711,0 | 810 | 860 | 30 | 76 | 740 | 8,00 | 12 | 16 | 775 | 5 | 26 | M24 | 24 | 53,700 |
| 800 | 813,0 | 920 | 975 | 30 | 76 | 842 | 8,00 | 12 | 16 | 880 | 5 | 30 | M27 | 24 | 64,400 |
| 900 | 914,0 | 1020 | 1075 | 34 | 78 | 942 | 8,00 | 12 | 16 | 980 | 5 | 30 | M27 | 24 | 79,200 |
| 1000 | 1016,0 | 1120 | 1175 | 38 | 82 | 1045 | 8,00 | 16 | 16 | 1080 | 5 | 30 | M27 | 28 | 98,600 |
| 1200 | 1219,0 | 1340 | 1405 | 42 | 104 | 1248 | 8,80 | 16 | 20 | 1295 | 5 | 33 | M30 | 32 | 152,000 |
| 1400 | 1422,0 | 1560 | 1630 | 56 | 114 | 1452 | 8,80 | 16 | 20 | 1510 | 5 | 36 | M33 | 36 | 246,000 |
| 1600 | 1626,0 | 1760 | 1830 | 63 | 119 | 1655 | 10,00 | 16 | 20 | 1710 | 5 | 36 | M33 | 40 | 309,000 |
| 1800 | 1829,0 | 1970 | 2045 | 69 | 133 | 1855 | 11,00 | 16 | 20 | 1920 | 5 | 39 | M36 | 44 | 400,000 |
| 2000 | 2032,0 | 2180 | 2265 | 74 | 146 | 2058 | 12,50 | 16 | 25 | 2125 | 5 | 42 | M39 | 48 | 516,000 |
| 2200 | 2235,0 | 2390 | 2475 | 81 | 154 | 2260 | 14,00 | 18 | 25 | 2335 | 5 | 42 | M39 | 52 | 645,000 |
| 2400 | 2438,0 | 2600 | 2685 | 87 | 168 | 2462 | 15,00 | 18 | 25 | 2545 | 5 | 42 | M39 | 56 | 786,000 |
| 2600 | 2620,0 | 2810 | 2905 | 91 | 175 | 2665 | 16,00 | 18 | 25 | 2750 | 5 | 48 | M45 | 60 | 1.021,000 |
| 2800 | 2820,0 | 3020 | 3115 | 101 | 188 | 2865 | 17,00 | 18 | 30 | 2960 | 5 | 48 | M45 | 64 | 1.256,000 |
| 3000 | 3020,0 | 3220 | 3315 | 102 | 192 | 3068 | 20,00 | 18 | 30 | 3160 | 5 | 48 | M45 | 68 | 1.404,000 |
| 3200 | 3220,0 | 3430 | 3525 | 106 | 202 | 3272 | 20,00 | 20 | 30 | 3370 | 5 | 48 | M45 | 72 | 1.617,000 |
| 3400 | 3420,0 | 3640 | 3735 | 110 | 214 | 3475 | 22,00 | 20 | 35 | 3580 | 5 | 48 | M45 | 76 | 1.877,000 |
| 3600 | 3620,0 | 3860 | 3970 | 124 | 229 | 3678 | 22,00 | 20 | 35 | 3790 | 5 | 56 | M52 | 80 | 2.366,000 |
1. SURFACE FINISH FACING TYPES A, B1, B2 etc |
|||||||||||||||
2. FLANGE MARKING: LOGO EN 1092-1 / 11 B1 / DN100 / PN6 / P245GH / HEAT NUMBER |
|||||||||||||||
| EN 1092-1 TYPE 11 PN10 WNRF FLANGE | |||||||||||||||
| Rated Diameter | Flange | Neck | Raised face | Screws | Weight (7,85 Kg/dm3) |
||||||||||
| d1 | k | D | b | h1 | d3 | s | r | h2 | d4 | f | d2 | Thread | Bolt holes | Kg | |
| 200 | 219,1 | 295 | 340 | 24 | 62 | 234 | 6,30 | 10 | 16 | 268 | 3 | 22 | M20 | 8 | 11,600 |
| 250 | 273,0 | 350 | 395 | 26 | 68 | 292 | 6,30 | 12 | 16 | 320 | 3 | 22 | M20 | 12 | 15,800 |
| 300 | 323,9 | 400 | 445 | 26 | 68 | 342 | 7,10 | 12 | 16 | 370 | 4 | 22 | M20 | 12 | 18,300 |
| 350 | 355,6 | 460 | 505 | 26 | 68 | 385 | 7,10 | 12 | 16 | 430 | 4 | 22 | M20 | 16 | 25,300 |
| 400 | 406,4 | 515 | 565 | 26 | 72 | 440 | 7,10 | 12 | 16 | 482 | 4 | 26 | M24 | 16 | 30,600 |
| 450 | 457,0 | 565 | 615 | 28 | 72 | 488 | 7,10 | 12 | 16 | 532 | 4 | 26 | M24 | 20 | 35,100 |
| 500 | 508,0 | 620 | 670 | 28 | 75 | 542 | 7,10 | 12 | 16 | 585 | 4 | 26 | M24 | 20 | 40,500 |
| 600 | 610,0 | 725 | 780 | 30 | 82 | 642 | 8,00 | 12 | 18 | 685 | 5 | 30 | M27 | 20 | 52,900 |
| 700 | 711,0 | 840 | 895 | 35 | 85 | 746 | 8,80 | 12 | 18 | 800 | 5 | 30 | M27 | 24 | 75,800 |
| 800 | 813,0 | 950 | 1015 | 38 | 96 | 850 | 8,80 | 12 | 18 | 905 | 5 | 33 | M30 | 24 | 102,000 |
| 900 | 914,0 | 1050 | 1115 | 38 | 99 | 950 | 12,50 | 12 | 20 | 1005 | 5 | 33 | M30 | 28 | 121,000 |
| 1000 | 1016,0 | 1160 | 1230 | 44 | 105 | 1052 | 12,50 | 16 | 20 | 1110 | 5 | 36 | M33 | 28 | 161,000 |
| 1200 | 1219,0 | 1380 | 1455 | 55 | 132 | 1256 | 12,50 | 16 | 25 | 1330 | 5 | 39 | M36 | 32 | 258,000 |
| 1400 | 1422,0 | 1590 | 1675 | 65 | 143 | 1460 | 14,20 | 16 | 25 | 1535 | 5 | 42 | M39 | 36 | 371,000 |
| 1600 | 1626,0 | 1820 | 1915 | 75 | 159 | 1666 | 16,00 | 16 | 25 | 1760 | 5 | 48 | M45 | 40 | 547,000 |
| 1800 | 1829,0 | 2020 | 2115 | 85 | 175 | 1868 | 17,50 | 16 | 30 | 1960 | 5 | 48 | M45 | 44 | 691,000 |
| 2000 | 2032,0 | 2230 | 2325 | 90 | 186 | 2072 | 17,50 | 16 | 30 | 2170 | 5 | 48 | M45 | 48 | 830,000 |
| 2200 | 2235,0 | 2440 | 2550 | 100 | 202 | 2275 | 20,00 | 18 | 35 | 2370 | 5 | 56 | M52 | 52 | 1.073,000 |
| 2400 | 2438,0 | 2650 | 2760 | 110 | 218 | 2478 | 22,20 | 18 | 35 | 2570 | 5 | 56 | M52 | 56 | 1.329,000 |
| 2600 | 2620,0 | 2850 | 2960 | 110 | 224 | 2680 | 25,00 | 18 | 40 | 2780 | 5 | 56 | M52 | 60 | 1.574,000 |
| 2800 | 2820,0 | 3070 | 3180 | 124 | 244 | 2882 | 25,00 | 18 | 40 | 3000 | 5 | 56 | M52 | 64 | 1.987,000 |
| 3000 | 3020,0 | 3290 | 3405 | 132 | 257 | 3085 | 32,00 | 18 | 45 | 3210 | 5 | 62 | M56 | 68 | 2.476,000 |
1. SURFACE FINISH FACING TYPES A, B1, B2 etc |
|||||||||||||||
2. FLANGE MARKING: LOGO EN 1092-1 / 11 B1 / DN100 / PN10 / P245GH / HEAT NUMBER |
|||||||||||||||
Main Export Market
- Eastern Europe
- North America
- Mid East/Africa
- Central/South America
- Asia
- Western Europe
- Australasia
- UAE
U.A.E,
Oman,
Saudi Arabia,
Qatar,
Bahrain,
Egypt,
Turkey
Singapore,
Thailand,
Malaysia
Indonesia
Poland
Italy
Portugal
Spain
Brazil
Chile
Venezuela
Costa Rica
USA
Canada
Angola
Sri Lanka
Russia
→ PRODUCTS
- Forged Flanges
- Blind Flanges
- Spectacle Blinds
- High Hub Blinds
- Orifice Flanges
- Slip-on Flanges
- Socket Weld Flanges
- Weld Neck Flanges
- Flat Flanges
- Threaded Flanges
- Lapped Joint Flanges (Loose Flanges)
- Reducing Flanges
- Weld Neck Flanges Series A or B
- Square Flanges
- Groove & Tongue Flanges
- Long Neck Weld Flanges
- WNRF Flanges
- BLRF Flanges
- SORF Flanges
- Screwed Flanges
- Ring Type Joint Flanges
- RTJ Flanges
- SWRF Flanges
- Flange Facing Type & Finish
- Spades and Ring Spacers (part of flange connection)
- Weldo Flange / Nipo Flange
- Expander Flange
- Flanges Dimension
- ANSI / ASA B16.5 FLANGE
- ANSI B16.47 FLANGE
- DIN FLANGE PN6-PN40
- UNI FLANGE PN6-PN40
- EN 1092-1 FLANGE PN6-PN40
> TYPE 01 Flange
> TYPE 02 Flange
> TYPE 05 Flange
> TYPE 11 Flange
> TYPE 13 Flange - JIS B 2220 FLANGE
- BS 4504 FLANGE PN6-PN40
- BS 10 FLANGE
- SABS / SANS 1123 FLANGE
- GOST / ГОСТ 12820-80 Flange
- GOST / ГОСТ 12821-80 Flange
- MSS SP44 FLANGE
- API FLANGE
- AWWA C207 FLANGE
- ISO FLANGE
- FRENCH NFE 29203 FLANGE
- AUSTRALIAN FLANGE
- NORWEGIAN NS FLANGE
- SWISS VSM FLANGE
- KOREAN FLANGES
- PDF Download
- ANSI B16.5 Class 150 LBS Blind Flange
- ANSI B16.5 Class 150 LBS Lap Joint Flange
- ANSI B16.5 Class 150 LBS Slip On Flange
- ANSI B16.5 Class 150 LBS Socket Welding Flange
- ANSI B16.5 Class 150 LBS Threaded Flange
- ANSI B16.5 Class 150 LBS Weld Neck Flange
- ANSI B16.5 Class 300 LBS Blind Flange
- ANSI B16.5 Class 300 LBS Lap Joint Flange
- ANSI B16.5 Class 300 LBS Slip On Flange
- ANSI B16.5 Class 300 LBS Threaded Flange
- ANSI B16.5 Class 300 LBS Weld Neck Flange
- ANSI B16.5 Class 400 LBS Blind Flange
- ANSI B16.5 Class 400 LBS Lap Joint Flange
- ANSI B16.5 Class 400 LBS Slip On Flange
- ANSI B16.5 Class 400 LBS Threaded Flange
- ANSI B16.5 Class 400 LBS Weld Neck Flange
- ANSI B16.5 Class 600 LBS Blind Flange
- ANSI B16.5 Class 600 LBS Lap Joint Flange
- ANSI B16.5 Class 600 LBS Slip On Flange
- ANSI B16.5 Class 600 LBS Socket Welding Flange
- ANSI B16.5 Class 600 LBS Threaded Flange
- ANSI B16.5 Class 600 LBS Weld Neck Flange
- ANSI B16.5 Class 900 LBS Blind Flange
- ANSI B16.5 Class 900 LBS Lap Joint Flange
- ANSI B16.5 Class 900 LBS Slip On Flange
- ANSI B16.5 Class 900 LBS Threaded Flange
- ANSI B16.5 Class 900 LBS Weld Neck Flange
- ANSI B16.5 Class 1500 LBS Blind Flange
- ANSI B16.5 Class 1500 LBS Lap Joint Flange
- ANSI B16.5 Class 1500 LBS Slip On Flange
- ANSI B16.5 Class 1500 LBS Threaded Flange
- ANSI B16.5 Class 1500 LBS Weld Neck Flange
- ANSI B16.5 Class 2500 LBS Blind Flange
- ANSI B16.5 Class 2500 LBS Lap Joint Flange
- ANSI B16.5 Class 2500 LBS Threaded Flange
- ANSI B16.5 Class 2500 LBS Weld Neck Flange
- ASME B16.47 Series A Flange
- ASME B16.47 Series B Flange
- ANSI B16.36 Orifice Flange
- Butt-Welding Fittings
- Forged Fittings Type Thread Fittings
- Forged Fittings Type Socket Weld
- Fasteners
- Pipes & Tubes
- Sheets & Plates
- Round Bar
- Forgings
- Welding Electrodes


We are regular suppliers from India for EN 1092-1 TYPE 11 Flange
|
||||||||||||||||||||||||||||

