Home / Products / Flanges / EN 1092-1 TYPE 13 Flange
Required Quality in reasonable price of EN 1092-1 TYPE 13 Flange are always our main priority. We are known as specialist in EN 1092-1 TYPE 13 Flange,70% of our customers are associated with us for their regular requirements of EN 1092-1 TYPE 13 Flange, Chinese suppliers also procures EN 1092-1 TYPE 13 Flange from us.
EN 1092-1 TYPE 13 Flange

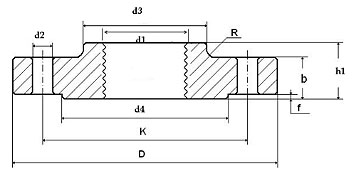
Dimensions

Dimensions & Approx Masses of EN 1092-1 TYPE 13 Flange
| EN 1092-1 TYPE 13 PN6 THREADED FLANGE | |||||||||||||
| Rated Diameter | Flange | Neck | Raised face | Screws | Weight |
||||||||
| d1 | Thread | k | D | b | h1 | d3 | d4 | f | d2 | Thread | Bolt holes | KG | |
| 15 | 21,3 | R 1/2" | 55 | 80 | 12 | 20 | 30,0 | 40,0 | 2,0 | 11 | M10 | 4 | 0,373 |
| 20 | 26,9 | R 3/4" | 65 | 90 | 14 | 24 | 40,0 | 50,0 | 2,0 | 11 | M10 | 4 | 0,584 |
| 25 | 33,7 | R 1" | 75 | 100 | 14 | 24 | 50,0 | 60,0 | 2,0 | 11 | M10 | 4 | 0,729 |
| 32 | 42,4 | R 1-1/4" | 90 | 120 | 14 | 26 | 60,0 | 70,0 | 2,0 | 14 | M12 | 4 | 1,040 |
| 40 | 48,3 | R 1-1/2" | 100 | 130 | 14 | 26 | 70,0 | 80,0 | 3,0 | 14 | M12 | 4 | 1,200 |
| 50 | 60,3 | R 2" | 110 | 140 | 14 | 28 | 80,0 | 90,0 | 3,0 | 14 | M12 | 4 | 1,340 |
| 65 | 76,1 | R 2-1/2" | 130 | 160 | 14 | 32 | 100,0 | 110,0 | 3,0 | 14 | M12 | 4 | 1,830 |
| 80 | 88,9 | R 3" | 150 | 190 | 16 | 34 | 110,0 | 128,0 | 3,0 | 18 | M16 | 4 | 2,750 |
| 100 | 114,3 | R 4" | 170 | 210 | 16 | 40 | 130,0 | 148,0 | 3,0 | 18 | M16 | 4 | 3,010 |
| 125 | 139,7 | R 5" | 200 | 240 | 18 | 44 | 160,0 | 178,0 | 3,0 | 18 | M16 | 8 | 4,300 |
| 150 | 168,3 | R 6" | 225 | 265 | 18 | 44 | 185,0 | 202,0 | 3,0 | 18 | M16 | 8 | 4,630 |
1. SURFACE FINISH FACING TYPES A, B1, B2 etc |
|||||||||||||
2. FLANGE MARKING: LOGO EN 1092-1 / 13 / DN100 / PN6 / P245GH / HEAT NUMBER |
|||||||||||||
| EN 1092-1 TYPE 13 PN16 THREADED FLANGE | |||||||||||||
| Rated Diameter | Flange | Neck | Raised face | Screws | Weight |
||||||||
| d1 | Thread | k | D | b | h1 | d3 | d4 | f | d2 | Thread | Bolt holes | KG | |
| 15 | 21,3 | R 1/2" | 65 | 95 | 16 | 22 | 35,0 | 45,0 | 2,0 | 14 | M12 | 4 | 0,722 |
| 20 | 26,9 | R 3/4" | 75 | 105 | 18 | 26 | 45,0 | 58,0 | 2,0 | 14 | M12 | 4 | 1,040 |
| 25 | 33,7 | R 1" | 85 | 115 | 18 | 28 | 52,0 | 68,0 | 2,0 | 14 | M12 | 4 | 1,250 |
| 32 | 42,4 | R 1-1/4" | 100 | 140 | 18 | 30 | 60,0 | 78,0 | 2,0 | 18 | M16 | 4 | 1,810 |
| 40 | 48,3 | R 1-1/2" | 110 | 150 | 18 | 32 | 70,0 | 88,0 | 3,0 | 18 | M16 | 4 | 2,060 |
| 50 | 60,3 | R 2" | 125 | 165 | 18 | 28 | 84,0 | 102,0 | 3,0 | 18 | M16 | 4 | 2,390 |
| 65 | 76,1 | R 2-1/2" | 145 | 185 | 18 | 32 | 104,0 | 122,0 | 3,0 | 18 | M16 | 4 | 2,970 |
| 80 | 88,9 | R 3" | 160 | 200 | 20 | 34 | 118,0 | 138,0 | 3,0 | 18 | M16 | 8 | 3,780 |
| 100 | 114,3 | R 4" | 180 | 220 | 20 | 40 | 140,0 | 158,0 | 3,0 | 18 | M16 | 8 | 4,380 |
| 125 | 139,7 | R 5" | 210 | 250 | 22 | 44 | 168,0 | 188,0 | 3,0 | 18 | M16 | 8 | 6,070 |
| 150 | 168,3 | R 6" | 240 | 285 | 22 | 44 | 195,0 | 212,0 | 3,0 | 22 | M20 | 8 | 7,240 |
1. SURFACE FINISH FACING TYPES A, B1, B2 etc |
|||||||||||||
2. FLANGE MARKING: LOGO EN 1092-1 / 13 / DN100 / PN16 / P245GH / HEAT NUMBER |
|||||||||||||
Main Export Market
- Eastern Europe
- North America
- Mid East/Africa
- Central/South America
- Asia
- Western Europe
- Australasia
- UAE
U.A.E,
Oman,
Saudi Arabia,
Qatar,
Bahrain,
Egypt,
Turkey
Singapore,
Thailand,
Malaysia
Indonesia
Poland
Italy
Portugal
Spain
Brazil
Chile
Venezuela
Costa Rica
USA
Canada
Angola
Sri Lanka
Russia
→ PRODUCTS
- Forged Flanges
- Blind Flanges
- Spectacle Blinds
- High Hub Blinds
- Orifice Flanges
- Slip-on Flanges
- Socket Weld Flanges
- Weld Neck Flanges
- Flat Flanges
- Threaded Flanges
- Lapped Joint Flanges (Loose Flanges)
- Reducing Flanges
- Weld Neck Flanges Series A or B
- Square Flanges
- Groove & Tongue Flanges
- Long Neck Weld Flanges
- WNRF Flanges
- BLRF Flanges
- SORF Flanges
- Screwed Flanges
- Ring Type Joint Flanges
- RTJ Flanges
- SWRF Flanges
- Flange Facing Type & Finish
- Spades and Ring Spacers (part of flange connection)
- Weldo Flange / Nipo Flange
- Expander Flange
- Flanges Dimension
- ANSI / ASA B16.5 FLANGE
- ANSI B16.47 FLANGE
- DIN FLANGE PN6-PN40
- UNI FLANGE PN6-PN40
- EN 1092-1 FLANGE PN6-PN40
> TYPE 01 Flange
> TYPE 02 Flange
> TYPE 05 Flange
> TYPE 11 Flange
> TYPE 13 Flange - JIS B 2220 FLANGE
- BS 4504 FLANGE PN6-PN40
- BS 10 FLANGE
- SABS / SANS 1123 FLANGE
- GOST / ГОСТ 12820-80 Flange
- GOST / ГОСТ 12821-80 Flange
- MSS SP44 FLANGE
- API FLANGE
- AWWA C207 FLANGE
- ISO FLANGE
- FRENCH NFE 29203 FLANGE
- AUSTRALIAN FLANGE
- NORWEGIAN NS FLANGE
- SWISS VSM FLANGE
- KOREAN FLANGES
- PDF Download
- ANSI B16.5 Class 150 LBS Blind Flange
- ANSI B16.5 Class 150 LBS Lap Joint Flange
- ANSI B16.5 Class 150 LBS Slip On Flange
- ANSI B16.5 Class 150 LBS Socket Welding Flange
- ANSI B16.5 Class 150 LBS Threaded Flange
- ANSI B16.5 Class 150 LBS Weld Neck Flange
- ANSI B16.5 Class 300 LBS Blind Flange
- ANSI B16.5 Class 300 LBS Lap Joint Flange
- ANSI B16.5 Class 300 LBS Slip On Flange
- ANSI B16.5 Class 300 LBS Threaded Flange
- ANSI B16.5 Class 300 LBS Weld Neck Flange
- ANSI B16.5 Class 400 LBS Blind Flange
- ANSI B16.5 Class 400 LBS Lap Joint Flange
- ANSI B16.5 Class 400 LBS Slip On Flange
- ANSI B16.5 Class 400 LBS Threaded Flange
- ANSI B16.5 Class 400 LBS Weld Neck Flange
- ANSI B16.5 Class 600 LBS Blind Flange
- ANSI B16.5 Class 600 LBS Lap Joint Flange
- ANSI B16.5 Class 600 LBS Slip On Flange
- ANSI B16.5 Class 600 LBS Socket Welding Flange
- ANSI B16.5 Class 600 LBS Threaded Flange
- ANSI B16.5 Class 600 LBS Weld Neck Flange
- ANSI B16.5 Class 900 LBS Blind Flange
- ANSI B16.5 Class 900 LBS Lap Joint Flange
- ANSI B16.5 Class 900 LBS Slip On Flange
- ANSI B16.5 Class 900 LBS Threaded Flange
- ANSI B16.5 Class 900 LBS Weld Neck Flange
- ANSI B16.5 Class 1500 LBS Blind Flange
- ANSI B16.5 Class 1500 LBS Lap Joint Flange
- ANSI B16.5 Class 1500 LBS Slip On Flange
- ANSI B16.5 Class 1500 LBS Threaded Flange
- ANSI B16.5 Class 1500 LBS Weld Neck Flange
- ANSI B16.5 Class 2500 LBS Blind Flange
- ANSI B16.5 Class 2500 LBS Lap Joint Flange
- ANSI B16.5 Class 2500 LBS Threaded Flange
- ANSI B16.5 Class 2500 LBS Weld Neck Flange
- ASME B16.47 Series A Flange
- ASME B16.47 Series B Flange
- ANSI B16.36 Orifice Flange
- Butt-Welding Fittings
- Forged Fittings Type Thread Fittings
- Forged Fittings Type Socket Weld
- Fasteners
- Pipes & Tubes
- Sheets & Plates
- Round Bar
- Forgings
- Welding Electrodes


We are regular suppliers from India for EN 1092-1 TYPE 13 Flange
|
||||||||||||||||||||||||||||

