Home / Products / Butt-Welding Fittings / ANSI/ASME B16.9 90° Short Radius Elbow
Pipe elbow fittings is a very important pipe fitting. When we talk about a pipe elbow, it means a length of pipe with a sharp bend in it. Pipe elbows are fitting accessories which are used widely in various industrial sectors in pipe fitting. A pipe elbow is frequently used in pressurized applications and is available in various shapes and sizes for use in different applications. A pipe elbow is a fitting installed between two lengths of pipe or tube allowing a change of direction, usually in the 900 or 450 direction.
ANSI/ASME B16.9 90° Short Radius Elbow

| Standards: | ANSI - B 16.9 ASTM A403 - ASME SA403 - 'Standard Specification for Wrought Austenitic Stainless Steel Piping Fittings' API 590-605 ASME B16.9 - 'Factory-Made Wrought Buttwelding Fittings'' ASME B16.25 - 'Buttwelding Ends' ASME B16.28 - 'Wrought Steel Buttwelding Short Radius Elbows and Returns' MSS SP-43 - 'Wrought and Fabricated Butt-Welding Fittings for Low Pressure, Corrosion Resistant Applications' |
| Schedule: | Sch 5 TO Sch XXS. |
| Sizes: | Diameters - from 21,3 to 711 mm. Wall Thickness - from 2 to 40 mm. |
| Materials: | Monel, Nickel, Inconel, Hastalloy, Titanium, Tantalum, Stainless Steel, Alloy Steel, Carbon Steel, Cupro-Nickel 90/10 & 70/30 Stainless Steel ASME / ASTM SA / A403 SA / A 774 WP-S, WP-W, WP-WX, 304, 304L, 316, 316L, 304/304L, 316/316L, DIN 1.4301, DIN1.4306, DIN 1.4401, DIN 1.4404 |
| Type: | Butt Weld (BW) |
| Thickness: | Schedule 5S, 10S, 20S, S10, S20, S30, STD, 40S, S40, S60, XS, 80S, S80, S100, S120, S140, S160, XXS and etc. |
| Dimension: | ANSI B16.9, ANSI B16.28, MSS-SP-43 Type A, MSS-SP-43 Type B, JIS B2312, JIS B2313 |
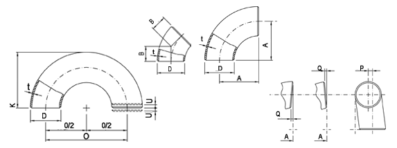
Dimensions
Dimensions Butt Weld Elbows 90° - SR ASME B16.9
| NPS | O.D. D |
Center-to-End A |
| 1 | 33.4 | 25 |
| 1¼ | 42.2 | 32 |
| 1½ | 48.3 | 38 |
| 2 | 60.3 | 51 |
| 2½ | 73 | 64 |
| 3 | 88.9 | 76 |
| 3½ | 101.6 | 89 |
| NPS | O.D. D |
Center-to-End A |
![]() |
![]() |
|
| NPS | O.D. D |
Center-to-End A |
| 4 | 114.3 | 102 |
| 5 | 141.3 | 127 |
| 6 | 168.3 | 152 |
| 8 | 219.1 | 203 |
| 10 | 273 | 254 |
| 12 | 323.8 | 305 |
| 14 | 355.6 | 356 |
| 16 | 406.4 | 406 |
| 18 | 457 | 457 |
| 20 | 508 | 508 |
| 22 | 559 | 559 |
| 24 | 610 | 610 |
| NPS | O.D. D |
Center-to-End A |
Dimensions are in millimeters unless otherwise indicated. Wall thickness (t) must be specified by customer.
Dimensional Tolerances of Butt Weld Elbows Short Radius 90° ASME B16.9
| Nominal Pipe Size | 1/2 to 2½ | 3 to 3½ | 4 | 5 to 8 | 10 to 18 | 20 to 24 | 26 to 30 | 32 to 48 |
| Outside Diameter at Bevel (D) |
+ 1.6 - 0.8 |
1.6 | 1.6 | + 2.4 - 1.6 |
+ 4 - 3.2 |
+ 6.4 - 4.8 |
+ 6.4 - 4.8 |
+ 6.4 - 4.8 |
| Inside Diameter at End | 0.8 | 1.6 | 1.6 | 1.6 | 3.2 | 4.8 | + 6.4 - 4.8 |
+ 6.4 - 4.8 |
| Center-to-End (A) | 2 | 2 | 2 | 2 | 2 | 2 | 3 | 5 |
| Wall Thickness (t) | Not less than 87.5% of Nominal Wall Thickness | |||||||
Dimensional tolerances are in millimeters unless otherwise indicated and are equal ± except as noted.
Note:
- MSS SP-43 only covers stainless steel buttweld fittings made for use with Schedule 5S and 10S pipe and Stub Ends suitable for use with Schedule 40S pipes.
- The dimensions and dimensional tolerances defined in MSS SP-43 are substantially the same as those in ASME B16.9 specifications from NPS 1/2 - NPS 24. Except with regard to the outside diameter at the bevel.
ELBOWS - Ansi 16.9 tolerances

| DIMENSIONAL TOLERANCES - ELBOWS | |||||||
| For all fittings | Elbows 90/45 deg | 180° Returns | |||||
| Nominal Pipe Size (NPS) | Outside Ø at Bevel |
Inside Ø at End |
Wall Thickness t / t1 |
Center to End Dim. A-B-C-M | Center to Center Dim. O |
Back to Face Dim. K |
Align- ment of Ends U |
| 1/2 a 2 1/2 | 1 | 0,8 | Not | 2 | 7 | 7 | 1 |
| 3 a 3 1/2 | 1 | 1,6 | less | 2 | 7 | 7 | 1 |
| 4 | +2 -1 | 1,6 | than | 2 | 7 | 7 | 1 |
| 5 a 6 | +3 -1 | 1,6 | 87,50% | 2 | 7 | 7 | 1 |
| 8 | 2 | 1,6 | of nominal | 2 | 7 | 7 | 1 |
| 10 | +4 -3 | 3,2 | tickness | 2 | 7 | 7 | 2 |
| 12 a 18 | +4 -3 | 3,2 | 3 | 10 | 7 | 2 | |
| 20 a 24 | +6 -5 | 4,8 | 3 | 10 | 7 | 2 | |
| 26 a 30 | +7 -5 | 4,8 | 3 | ..... | ..... | ..... | |
| 32 a 48 | +7 -5 | 4,8 | 5 | ..... | ..... | ..... | |
| Angularity Tolerances | ||
| ND | Max off angle | Max off plane |
| Q | P | |
| 1/2 a 4 | 1 | 2 |
| 5 a 8 | 2 | 4 |
| 10 a 12 | 3 | 5 |
| 14 a 16 | 3 | 7 |
| 18 a 24 | 4 | 10 |
| 26 a 30 | 5 | 10 |
| 32 a 42 | 5 | 13 |
| 44 a 48 | 5 | 20 |
ELBOWS - Weights
| WEIGHTS OF FITTINGS | ||||||||
| NPS inches |
ELBOWS LR 90° |
ELBOWS SR 90° |
||||||
| Sch. 5S |
Sch. 10S |
Sch. 40S |
Sch. 80S |
Sch. 5S |
Sch. 10S |
Sch. 40S |
Sch. 80S |
|
| 1/2 | 0.05 | 0.06 | 0.08 | 0.10 | 0.03 | 0.04 | 0.05 | 0.07 |
| 3/4 | 0.06 | 0.07 | 0.09 | 0.11 | 0.04 | 0.05 | 0.06 | 0.07 |
| 1 | 0.09 | 0.15 | 0.18 | 0.20 | 0.06 | 0.10 | 0.12 | 0.13 |
| 1 1/4 | 0.13 | 0.20 | 0.25 | 0.35 | 0.09 | 0.13 | 0.17 | 0.12 |
| 1 1/2 | 0.18 | 0.30 | 0.40 | 0.50 | 0.12 | 0.20 | 0.27 | 0.33 |
| 2 | 0.30 | 0.50 | 0.70 | 0.90 | 0.20 | 0.33 | 0.47 | 0.60 |
| 2 1/2 | 0.60 | 0.85 | 1.35 | 1.80 | 0.40 | 0.60 | 0.90 | 1.20 |
| 3 | 0.90 | 1.30 | 2.00 | 2.90 | 0.60 | 0.90 | 1.35 | 1.90 |
| 4 | 1.40 | 2.00 | 4.00 | 5.90 | 0.90 | 1.35 | 2.65 | 3.90 |
| 5 | 2.90 | 3.60 | 6.50 | 9.70 | 1.95 | 2.40 | 4.35 | 6.50 |
| 6 | 4.00 | 5.00 | 10.5 | 16.0 | 2.70 | 3.35 | 7.00 | 10.5 |
| 8 | 7.40 | 10.0 | 21.5 | 33.5 | 4.90 | 6.70 | 14.5 | 22.5 |
| 10 | 13.6 | 16.8 | 38.5 | 52.5 | 9.10 | 11.2 | 25.6 | 35.0 |
| 12 | 23.4 | 27.0 | 59.0 | 79.0 | 15.6 | 18.0 | 39.5 | 53.0 |
| 14 | 29.0 | 35.0 | 70.0 | 94.0 | 19.3 | 23.5 | 47.0 | 63.0 |
| 16 | 41.3 | 47.0 | 95.0 | 125 | 27.5 | 31.5 | 63.5 | 84.0 |
| 18 | 51.8 | 59.0 | 120 | 158 | 34.5 | 39.5 | 80.0 | 105 |
| 20 | 73.0 | 85.0 | 146 | 194 | 49.0 | 57.0 | 98.0 | 129 |
| 24 | 122 | 140 | 210 | 282 | 82.0 | 94.0 | 140 | 188 |
| Approximate weights in kg, density 8 kg/dm3 | ||||||||
ELBOWS - End welding bevels

Main Export Market
- Eastern Europe
- North America
- Mid East/Africa
- Central/South America
- Asia
- Western Europe
- Australasia
- UAE
U.A.E,
Oman,
Saudi Arabia,
Qatar,
Bahrain,
Egypt,
Turkey
Singapore,
Thailand,
Malaysia
Indonesia
Poland
Italy
Portugal
Spain
Brazil
Chile
Venezuela
Costa Rica
USA
Canada
Angola
Sri Lanka
Russia
→ PRODUCTS
- Flanges
- Butt-Welding Fittings
- 90° Long Radius Elbow
- 90° Short Radius Elbow
- 45° Long Radius Elbow
- 45° Short Radius Elbow
- 180° Long Radius Elbow
- 180° Short Radius Elbow
- 1D Elbow
- 1.5D Elbow
- 3D Elbow
- 5D Elbow
- Seamless Buttwelding 45° and 90° Elbows
- Welded Elbows
- Seamless Buttwelding 180° Returns
- Straight Tees and Crosses
- Reducing Outlet Tees and Reducing Outlet Crosses
- Equal Tee
- Reducing Tee
- Equal Cross
- Reducing Cross
- Reducers
- Concentric Reducer
- Eccentric Reducer
- Stub End
- Lap Joint Stub Ends
- Long Stubend
- Short Stubend
- Pipe Cap
- End Cap
- Collar
- Swedge Nipple
- Pipe Nipples
- Barrel Nipple
- Reducing Nipple
- Bend
- Long Radius Bend
- Piggable Bend
- Lateral
- Forged Fittings Type Thread Fittings
- Forged Fittings Type Socket Weld
- Fasteners
- Pipes & Tubes
- Sheets & Plates
- Round Bar
- Forgings
- Welding Electrodes

We are regular suppliers from India for ANSI/ASME B16.9 90° Short Radius Elbow
|
||||||||||||||||||||||||||||



