Home / Products / Butt-Welding Fittings / ANSI/ASME B16.9 Butt weld Stub End
We have in store for our clients, a quality assured range of stubend long & short fittings that are in compliance with the industry accepted standards and norms. These fittings are hot dip galvanized, epoxy coated and electro polished for durability purpose. We also provide these fittings along with mill test certificate as per EN B16.9 to suit the quality conscious approach of our clients.
ANSI/ASME B16.9 Butt weld Stub End
Designed in accordance with B16.9 (ASA) or MSSSP-43. Available in all sizes and material grades.

| Standards: | ANSI - B 16.9 ASTM A403 - ASME SA403 - 'Standard Specification for Wrought Austenitic Stainless Steel Piping Fittings' API 590-605 ASME B16.9 - 'Factory-Made Wrought Buttwelding Fittings'' ASME B16.25 - 'Buttwelding Ends' ASME B16.28 - 'Wrought Steel Buttwelding Short Radius Elbows and Returns' MSS SP-43 - 'Wrought and Fabricated Butt-Welding Fittings for Low Pressure, Corrosion Resistant Applications' |
| Variations: | Welded & Seamless MSS-A; MSS-B; MSS-C Short type & Long type |
| Dimensions: | Outside diameter : 1/2" à 24" (21,34 - 609,5 mm) Thickness: SCH 5S, 10S, 40S (STD), 80S (XS), 160, XXS (1,65 - 59.51 mm) |
| Materials: | Monel, Nickel, Inconel, Hastalloy, Titanium, Tantalum, Stainless Steel, Alloy Steel, Carbon Steel, Cupro-Nickel 90/10 & 70/30 Stainless Steel ASME / ASTM SA / A403 SA / A 774 WP-S, WP-W, WP-WX, 304, 304L, 316, 316L, 304/304L, 316/316L, DIN 1.4301, DIN1.4306, DIN 1.4401, DIN 1.4404 |
| Type: | Butt Weld (BW) |
| Thickness: | Schedule 5S, 10S, 20S, S10, S20, S30, STD, 40S, S40, S60, XS, 80S, S80, S100, S120, S140, S160, XXS and etc. |
| Dimension: | ANSI B16.9, ANSI B16.28, MSS-SP-43 Type A, MSS-SP-43 Type B, JIS B2312, JIS B2313 |
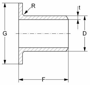
Dimensions

| Nominal Pipe Size | Outside diameter of barrel |
Length (F) | Radius (R) | Diameter (G) | ||
|---|---|---|---|---|---|---|
| Minimum | Maximum | Long Pattern |
Short Pattern |
|||
| 1/2" | 20.5 | 22.8 | 76 | 51 | 3 | 35 |
| 3/4" | 25.9 | 28.1 | 76 | 51 | 3 | 43 |
| 1" | 32.6 | 35.0 | 102 | 51 | 3 | 51 |
| 1 1/4" | 41.4 | 43.6 | 102 | 51 | 5 | 64 |
| 1 1/2" | 47.5 | 49.9 | 102 | 51 | 6 | 74 |
| 2" | 59.5 | 62.4 | 152 | 64 | 8 | 92 |
| 2 1/2" | 72.2 | 75.3 | 152 | 64 | 8 | 105 |
| 3" | 88.1 | 91.3 | 152 | 64 | 10 | 127 |
| 3 1/2" | 100.8 | 104.0 | 152 | 76 | 10 | 140 |
| 4" | 113.5 | 116.7 | 152 | 76 | 11 | 157 |
| 5" | 140.5 | 144.3 | 203 | 76 | 11 | 186 |
| 6" | 167.5 | 171.3 | 203 | 89 | 13 | 216 |
| 8" | 218.3 | 222.1 | 203 | 102 | 13 | 270 |
| 10" | 272.3 | 277.2 | 254 | 127 | 13 | 324 |
| 12" | 323.1 | 328.0 | 254 | 152 | 13 | 381 |
| 14" | 354.8 | 359.9 | 305 | 152 | 13 | 413 |
| 16" | 405.6 | 411.0 | 305 | 152 | 13 | 470 |
| 18" | 456.0 | 462.0 | 305 | 152 | 13 | 533 |
| 20" | 507.0 | 514.0 | 305 | 152 | 13 | 584 |
| 22" | 558.0 | 565.0 | 305 | 152 | 13 | 641 |
| 24" | 609.0 | 616.0 | 305 | 152 | 13 | 692 |
The dimensions are in millimeters
Source : ASME B16.9 - 2007
STUB ENDS - Ansi and MSS SP-43 dimensions
STUB ENDS - ANSI B 16.9 and MSS SP-43 dimension |
|||||||
| inches | ND | mm | Diameter of lap | Radius of fillet |
Length F | ||
D |
G | R | R1 | MSS SP43 | ANSI B16.9 | ||
| 1/2 | 15 | 21,34 | 34,92 | 3,17 | 0,80 | 50,80 | 76,20 |
| 3/4 | 20 | 26,67 | 42,86 | 3,17 | 0,80 | 50,80 | 76,20 |
| 1 | 25 | 33,40 | 50,80 | 3,17 | 0,80 | 50,80 | 101,60 |
| 1 1/4 | 32 | 42,16 | 63,50 | 4,76 | 0,80 | 50,80 | 101,60 |
| 1 1/2 | 40 | 48,26 | 73,00 | 6,35 | 0,80 | 50,80 | 101,60 |
| 2 | 50 | 60,32 | 92,10 | 7,93 | 0,80 | 63,50 | 152,40 |
| 2 1/2 | 65 | 73,02 | 104,80 | 7,93 | 0,80 | 63,50 | 152,40 |
| 3 | 80 | 88,90 | 127,00 | 9,52 | 0,80 | 63,50 | 152,40 |
| 3 1/2 | 90 | 101,60 | 139,70 | 9,52 | 0,80 | 76,20 | 152,40 |
| 4 | 100 | 114,30 | 157,20 | 11,11 | 0,80 | 76,20 | 152,40 |
| 5 | 125 | 141,30 | 185,70 | 11,11 | 1,58 | 76,20 | 203,20 |
| 6 | 150 | 168,27 | 215,90 | 12,70 | 1,58 | 88,90 | 203,20 |
| 8 | 200 | 219,07 | 269,80 | 12,70 | 1,58 | 101,60 | 203,20 |
| 10 | 250 | 273,05 | 323,80 | 12,70 | 1,58 | 127,00 | 254,00 |
| 12 | 300 | 323,85 | 381,00 | 12,70 | 1,58 | 152,40 | 254,00 |
| 14 | 350 | 355,60 | 412,70 | 12,70 | 1,58 | 152,40 | 304,80 |
| 16 | 400 | 406,40 | 469,90 | 12,70 | 1,58 | 152,40 | 304,80 |
| 18 | 450 | 457,20 | 533,40 | 12,70 | 1,58 | 152,40 | 304,80 |
| 20 | 500 | 508,00 | 584,20 | 12,70 | 1,58 | 152,40 | 304,80 |
| 22 | 550 | 558,80 | 641,30 | 12,70 | 1,58 | 152,40 | 304,80 |
| 24 | 600 | 609,60 | 692,10 | 12,70 | 1,58 | 152,40 | 304,80 |
| The lap thickness T shall not be less than nominal pipe wall thickness t | |||||||
STUB ENDS - Ansi 16.9 tolerances
DIMENSIONAL TOLERANCES - STUB ENDS |
||||||
| For all fittings | Stub Ends | |||||
| Nominal Pipe Size (NPS) | Outside Ø at Bevel | Indide Ø at End | Wall Thickness t / t1 |
O.D. of Lap G | Fillet Radius of Lap - R | Overall Length. - F |
| 1/2 a 2 1/2 | 1 | 0,8 | Not | +0 -1 | +0 -1 | 2 |
| 3 a 3 1/2 | 1 | 1,6 | less | +0 -1 | +0 -1 | 2 |
| 4 | +2 -1 | 1,6 | than | +0 -1 | +0 -2 | 2 |
| 5 a 6 | +3 -1 | 1,6 | 87,50% | +0 -1 | +0 -2 | 2 |
| 8 | 2 | 1,6 | of nominal | +0 -1 | +0 -2 | 2 |
| 10 | +4 -3 | 3,2 | tickness | +0 -2 | +0 -2 | 2 |
| 12 to 18 | +4 -3 | 3,2 | +0 -2 | +0 -2 | 3 | |
| 20 a 24 | +6 -5 | 4,8 | +0 -2 | +0 -2 | 3 | |
| 26 a 30 | +7 -5 | 4,8 | ||||
| 32 a 48 | +7 -5 | 4,8 | ||||
STUB ENDS - Weights
| NPS inches |
STUB ENDS | |||
| Sch. 5S |
Sch. 10S |
Sch. 40S |
Sch. 80S |
|
| 1/2 | 0.06 | 0.08 | 0.12 | 0.13 |
| 3/4 | 0.07 | 0.09 | 0.15 | 0.17 |
| 1 | 0.09 | 0.15 | 0.20 | 0.25 |
| 1 1/4 | 0.13 | 0.20 | 0.30 | 0.35 |
| 1 1/2 | 0.16 | 0.25 | 0.38 | 0.46 |
| 2 | 0.25 | 0.40 | 0.55 | 0.75 |
| 2 1/2 | 0.35 | 0.50 | 0.80 | 1.00 |
| 3 | 0.50 | 0.60 | 1.10 | 1.50 |
| 4 | 0.70 | 1.00 | 1.80 | 2.50 |
| 5 | 1.00 | 1.25 | 2.50 | 3.50 |
| 6 | 1.60 | 1.95 | 3.70 | 5.50 |
| 8 | 2.50 | 3.10 | 5.90 | 10.0 |
| 10 | 4.00 | 4.90 | 10.5 | 14.0 |
| 12 | 6.60 | 7.10 | 15.0 | 20.0 |
| 14 | 6.40 | 7.80 | 15.5 | 20.5 |
| 16 | 7.90 | 9.00 | 18.0 | 24.0 |
| 18 | 9.30 | 10.5 | 21.0 | 28.0 |
| 20 | 12.0 | 13.5 | 23.5 | 31.0 |
| 24 | 16.5 | 19.0 | 28.5 | 38.0 |
| Approximate weights in kg, density 8 kg/dm3 | ||||
STUB ENDS - End welding bevels

| NOMINAL PIPE SIZE (Inches) | NB | OD | THICKNESS | SCH 10 | SCH 20 | SCH 30 | SCH 40 | SCH 80 |
|---|---|---|---|---|---|---|---|---|
| 1/2 | 15NB | 21.30 | 1.65 | 2.11 | __ | 2.41 | 2.77 | 3.73 |
| 3/4 | 20NB | 26.70 | 1.65 | 2.11 | __ | 2.41 | 2.87 | 3.91 |
| 1 | 25NB | 33.40 | 1.65 | 2.77 | __ | 2.90 | 3.38 | 4.55 |
| 1 1/4 | 32NB | 42.20 | 1.65 | 2.77 | __ | 2.97 | 3.56 | 4.85 |
| 1 1/2 | 40NB | 48.30 | 1.65 | 2.77 | __ | 3.18 | 3.68 | 5.08 |
| 2 | 50NB | 60.30 | 1.65 | 2.77 | __ | 3.18 | 3.91 | 5.54 |
| 2 1/2 | 65NB | 73.00 | 2.11 | 3.05 | __ | 4.78 | 5.16 | 7.01 |
| 3 | 80NB | 88.90 | 2.11 | 3.05 | __ | 4.78 | 5.49 | 7.62 |
| 3 1/2 | 90NB | 101.60 | 2.11 | 3.05 | __ | 4.78 | 5.74 | 8.08 |
| 4 | 100NB | 114.30 | 2.11 | 3.05 | __ | 4.78 | 6.02 | 8.56 |
| 5 | 125NB | 141.30 | 2.77 | 3.40 | __ | __ | 6.55 | 9.53 |
| 6 | 150NB | 168.30 | 2.77 | 3.40 | __ | __ | 7.11 | 10.97 |
| 8 | 200NB | 219.10 | 2.77 | 3.76 | 6.35 | 7.04 | 8.18 | 12.70 |
| 10 | 250NB | 273.00 | 3.40 | 4.19 | 6.35 | 7.80 | 9.27 | 15.09 |
| 12 | 300NB | 323.80 | 3.96 | 4.57 | 6.35 | 8.38 | 10.31 | 17.48 |
| 14 | 350NB | 355.60 | 3.96 | 6.35 | 7.92 | 9.53 | 11.13 | 19.05 |
| 16 | 400NB | 406.40 | 4.19 | 6.35 | 7.92 | 9.53 | 12.7 | 21.44 |
| 18 | 450NB | 457.00 | 4.19 | 6.35 | 7.92 | 11.13 | 14.27 | 23.83 |
| 20 | 500NB | 508.00 | 4.78 | 6.35 | 9.53 | 12.70 | 15.09 | 26.19 |
| 22 | 550NB | 559.00 | 4.78 | 6.35 | 9.53 | 12.70 | __ | 28.58 |
| 24 | 600NB | 610.00 | 5.54 | 6.35 | 9.53 | 14.27 | 17.48 | 30.96 |
STUB ENDS SHORT LENGTH ASTM A403/A815 ASME B16.9
Facing: 125-250 RMS (smooth finish)
welded version = w
= s seamless execution

| Nominal | Schedule | D | t | G | F | R. Max. | kg / St. | |
|---|---|---|---|---|---|---|---|---|
| 1/2 " | 10s | 21.3 | 2.11 | 34.9 | 50.8 | 3.18 | 0.07 | s |
| 40s | 2.77 | 0.09 | s | |||||
| 3/4 " | 10s | 26.7 | 2.11 | 42.9 | 50.8 | 3.18 | 0.10 | s |
| 40s | 2.87 | 0.12 | s | |||||
| 1 " | 10s | 33.4 | 2.77 | 50.8 | 50.8 | 3.18 | 0.16 | s / w |
| 40s | 3.38 | 0.17 | s | |||||
| 1 1/4 " | 10s | 42.2 | 2.77 | 63.5 | 50.8 | 4.76 | 0.22 | s |
| 40s | 3.56 | 0.25 | s | |||||
| 1 1/2 " | 10s | 48.3 | 2.77 | 73.0 | 50.8 | 6.35 | 0.25 | s / w |
| 40s | 3.68 | 0.31 | s | |||||
| 2 " | 10s | 60.3 | 2.77 | 92.1 | 63.5 | 7.94 | 0.43 | s / w |
| 40s | 3.91 | 0.61 | s | |||||
| 2 1/2 " | 10s | 73.0 | 3.05 | 104.8 | 63.5 | 7.94 | 0.57 | s / w |
| 40s | 5.16 | 0.80 | s | |||||
| 3 " | 10s | 88.9 | 3.05 | 127.0 | 63.5 | 9.53 | 0.73 | s / w |
| 40s | 5.49 | 1.13 | s | |||||
| 4 " | 10s | 114.3 | 3.05 | 157.2 | 76.2 | 11.11 | 1.09 | s / w |
| 40s | 6.02 | 1.87 | s | |||||
| 5 " | 10s | 141.3 | 3.40 | 185.7 | 76.2 | 11.11 | 1.47 | s / w |
| 40s | 6.55 | 2.28 | s | |||||
| 6 " | 10s | 168.3 | 3.40 | 215.9 | 88.9 | 12.70 | 2.15 | s / w |
| 40s | 7.11 | 3.57 | s / w | |||||
| 8 " | 10s | 219.1 | 3.76 | 269.9 | 101.6 | 12.70 | 3.22 | s / w |
| 40s | 8.18 | 6.07 | s / w | |||||
| 10 " | 10s | 273.1 | 4.19 | 323.9 | 127.0 | 12.70 | 5.13 | w |
| 40s | 9.27 | 10.07 | w | |||||
| 12 " | 10s | 323.9 | 4.57 | 381.0 | 152.4 | 12.70 | 8.16 | w |
| 40s | 9.53 | 14.29 | w | |||||
| 14 " | 10s | 355.6 | 4.78 | 412.8 | 152.4 | 12.70 | 10.89 | w |
| 40s | 9.53 | 17.15 | w | |||||
| 16 " | 10s | 406.4 | 4.78 | 469.9 | 152.4 | 12.70 | 12.70 | w |
| 40s | 9.53 | 20.41 | w | |||||
| 18 " | 10s | 457.2 | 4.78 | 533.4 | 152.4 | 12.70 | 17.24 | w |
| 20 " | 10s | 508.0 | 5.54 | 584.2 | 152.4 | 12.70 | 21.77 | w |
| 24 " | 10s | 609.6 | 6.35 | 692.2 | 152.4 | 12.70 | 27.22 | w |
Main Export Market
- Eastern Europe
- North America
- Mid East/Africa
- Central/South America
- Asia
- Western Europe
- Australasia
- UAE
U.A.E,
Oman,
Saudi Arabia,
Qatar,
Bahrain,
Egypt,
Turkey
Singapore,
Thailand,
Malaysia
Indonesia
Poland
Italy
Portugal
Spain
Brazil
Chile
Venezuela
Costa Rica
USA
Canada
Angola
Sri Lanka
Russia
→ PRODUCTS
- Flanges
- Butt-Welding Fittings
- 90° Long Radius Elbow
- 90° Short Radius Elbow
- 45° Long Radius Elbow
- 45° Short Radius Elbow
- 180° Long Radius Elbow
- 180° Short Radius Elbow
- 1D Elbow
- 1.5D Elbow
- 3D Elbow
- 5D Elbow
- Seamless Buttwelding 45° and 90° Elbows
- Welded Elbows
- Seamless Buttwelding 180° Returns
- Straight Tees and Crosses
- Reducing Outlet Tees and Reducing Outlet Crosses
- Equal Tee
- Reducing Tee
- Equal Cross
- Reducing Cross
- Reducers
- Concentric Reducer
- Eccentric Reducer
- Stub End
- Lap Joint Stub Ends
- Long Stubend
- Short Stubend
- Pipe Cap
- End Cap
- Collar
- Swedge Nipple
- Pipe Nipples
- Barrel Nipple
- Reducing Nipple
- Bend
- Long Radius Bend
- Piggable Bend
- Lateral
- Forged Fittings Type Thread Fittings
- Forged Fittings Type Socket Weld
- Fasteners
- Pipes & Tubes
- Sheets & Plates
- Round Bar
- Forgings
- Welding Electrodes

We are regular suppliers from India for ANSI/ASME B16.9 Butt weld Stub End
|
||||||||||||||||||||||||||||

