Home / Products / Butt-Welding Fittings / ASME B16.9 Reducing Outlet Tees and Reducing Outlet Crosses
Kalikund Steel & Engineering believes in long term relationship with our clients worldwide, Required Quality in reasonable price of ASME B16.9 Reducing Outlet Tees and Reducing Outlet Crosses are always our main priority. We are known as specialist in ASME B16.9 Reducing Outlet Tees and Reducing Outlet Crosses,70% of our customers are associated with us for their regular requirements of ASME B16.9 Reducing Outlet Tees and Reducing Outlet Crosses, Chinese suppliers also procures ASME B16.9 Reducing Outlet Tees and Reducing Outlet Crosses from us bcz. We have the specialization & 35 years of experience to manufacture ASME B16.9 Reducing Outlet Tees and Reducing Outlet Crosses.
ASME B16.9 Reducing Outlet Tees and Reducing Outlet Crosses

| Standards: | ANSI - B 16.9 ASTM A403 - ASME SA403 - 'Standard Specification for Wrought Austenitic Stainless Steel Piping Fittings' API 590-605 ASME B16.9 - 'Factory-Made Wrought Buttwelding Fittings'' ASME B16.25 - 'Buttwelding Ends' ASME B16.28 - 'Wrought Steel Buttwelding Short Radius Elbows and Returns' MSS SP-43 - 'Wrought and Fabricated Butt-Welding Fittings for Low Pressure, Corrosion Resistant Applications' |
| Schedule: | Sch 5 TO Sch XXS. |
| Sizes: | 1/2” TO 36” (SEAMLESS UPTO 24”) (WELDED 8” TO 36” ) |
| Materials: | Monel, Nickel, Inconel, Hastalloy, Titanium, Tantalum, Stainless Steel, Alloy Steel, Carbon Steel, Cupro-Nickel 90/10 & 70/30 Stainless Steel ASME / ASTM SA / A403 SA / A 774 WP-S, WP-W, WP-WX, 304, 304L, 316, 316L, 304/304L, 316/316L, DIN 1.4301, DIN1.4306, DIN 1.4401, DIN 1.4404 |
| Type: | Butt Weld (BW) |
| Thickness: | Schedule 5S, 10S, 20S, S10, S20, S30, STD, 40S, S40, S60, XS, 80S, S80, S100, S120, S140, S160, XXS and etc. |
| Dimension: | ANSI B16.9, ANSI B16.28, MSS-SP-43 Type A, MSS-SP-43 Type B, JIS B2312, JIS B2313 |
Dimensions
ASME B16.9
FACTORY-MADE WROUGHT BUTTWELDING FITTINGS
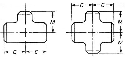
DIMENSIONS OF REDUCING OUTLET TEES AND REDUCING OUTLET CROSSES

| Nominal Pipe Size (NPS) | DN |
Outlet Diameter at Bevel |
Center- to-End |
||
| Run | Outlet | Run.C |
Outlet. M[Notes(1)] |
||
| 1/2*1/2*3/8 | 15*15*10 | 21.3 | 17.3 | 25 | 25 |
| 1/2*1/2*1/4 | 15*15*8 | 21.3 | 13.7 | 25 | 25 |
| 3/4*3/4*1/2 | 20*20*15 | 26.7 | 21.3 | 29 | 29 |
| 3/4*3/4*3/8 | 20*20*10 | 26.7 | 17.3 | 29 | 29 |
| 1*1*3/4 | 25*25*20 | 33.4 | 26.7 | 38 | 38 |
| 1*1*1/2 | 25*25*15 | 33.4 | 21.3 | 38 | 38 |
| 1-1/4*1-1/4*1 | 32*32*25 | 42.2 | 33.4 | 48 | 48 |
| 1-1/4*1-1/4*3/4 | 32*32*20 | 42.2 | 26.7 | 48 | 48 |
| 1-1/4*1-1/4*1/2 | 32*32*15 | 42.2 | 21.3 | 48 | 48 |
| 1-1/2*1-1/2*1-1/4 | 40*40*32 | 48.3 | 42.2 | 57 | 57 |
| 1-1/2*1-1/2*1 | 40*40*25 | 48.3 | 33.4 | 57 | 57 |
| 1-1/2*1-1/2*3/4 | 40*40*20 | 48.3 | 26.7 | 57 | 57 |
| 1-1/2*1-1/2*1/2 | 40*40*15 | 48.3 | 21.3 | 57 | 57 |
| 2*2*1-1/2 | 50*50*40 | 60.3 | 48.3 | 64 | 60 |
| 2*2*1-1/4 | 50*50*32 | 60.3 | 42.2 | 64 | 57 |
| 2*2*1 | 50*50*25 | 60.3 | 33.4 | 64 | 51 |
| 2*2*3/4 | 50*50*20 | 60.3 | 73.0 | 64 | 44 |
| 2-1/2*2-1/2*2 | 65*65*50 | 73.0 | 60.3 | 76 | 70 |
| 2-1/2*2-1/2*1-1/2 | 65*65*40 | 73.0 | 48.3 | 76 | 67 |
| 2-1/2*2-1/2*1-1/4 | 65*65*32 | 73.0 | 42.2 | 76 | 64 |
| 2-1/2*2-1/2*1 | 65*65*25 | 73.0 | 88.9 | 76 | 57 |
| 3*3*2-1/2 | 80*80*65 | 88.9 | 73.0 | 86 | 83 |
| 3*3*2 | 80*80*50 | 88.9 | 60.3 | 86 | 76 |
| 3*3*1-1/2 | 80*80*40 | 88.9 | 48.3 | 86 | 73 |
| 3*3*1-1/4 | 80*80*32 | 88.9 | 101.6 | 86 | 70 |
| 3-1/2*3-1/2*3 | 90*90*80 | 101.6 | 88.9 | 95 | 92 |
| 3-1/2*3-1/2*2-1/2 | 90*90*65 | 101.6 | 73.0 | 95 | 89 |
| 3-1/2*3-1/2*2 | 90*90*50 | 101.6 | 60.3 | 95 | 83 |
| 3-1/2*3-1/2*1-1/2 | 90*90*40 | 101.6 | 48.3 | 95 | 79 |
| 4*4*3-1/2 | 100*100*90 | 114.3 | 101.6 | 105 | 102 |
| 4*4*3 | 100*100*80 | 114.3 | 88.9 | 105 | 98 |
| 4*4*2-1/2 | 100*100*65 | 114.3 | 73.0 | 105 | 95 |
| 4*4*2 | 100*100*50 | 114.3 | 60.3 | 105 | 89 |
| 4*4*1-1/2 | 100*100*40 | 114.3 | 48.3 | 105 | 86 |
| 5*5*4 | 125*125*100 | 141.3 | 114.3 | 124 | 117 |
| 5*5*3-1/2 | 125*125*90 | 141.3 | 101.6 | 124 | 114 |
| 5*5*3 | 125*125*80 | 141.3 | 88.9 | 124 | 111 |
| 5*5*2-1/2 | 125*125*65 | 141.3 | 73.6 | 124 | 108 |
| 5*5*2 | 125*125*50 | 141.3 | 60.3 | 124 | 105 |
GENERAL NOTE: All dimensions are in millimeter.
NOTE: Outlet dimension M for run sizes NPS 14(DN350) and larger is recommended but not required.
DIMENSIONS OF REDUCING OUTLET TEES AND REDUCING OUTLET CROSSES

| Nominal Pipe Size (NPS) | DN |
Outlet Diameter at Bevel |
Center-to-End |
||
| Run | Outlet | Run.C |
Outlet. M[Notes(1)] |
||
| 6*6*5 | 150* 150*125 | 168.3 | 114.3 | 143 | 137 |
| 6*6*4 | 150*150*100 |
168.3 | 141.3 | 143 | 130 |
| 6*6*3-1/2 | 150*150*90 | 168.3 | 101.6 | 143 | 127 |
| 6*6*3 | 150*150*80 | 168.3 | 88.9 | 143 | 124 |
| 6*6*2-1/2 | 150*150*65 | 168.3 | 73.0 | 143 | 121 |
| 8*8*6 | 200*200*150 | 219.1 | 168.3 | 178 | 168 |
| 8*8*5 | 200*200*125 | 219.1 | 141.3 | 178 | 162 |
| 8*8*4 | 200*200*100 | 219.1 | 114.3 | 178 | 156 |
| 8*8*3-1/2 | 200*200*90 | 219.1 | 101.6 | 178 | 152 |
| 10*10*8 | 250*250*200 | 273.0 | 219.1 | 216 | 203 |
| 10*10*6 | 250*250*150 | 273.0 | 168.3 | 216 | 194 |
| 10*10*5 | 250*250*125 | 273.0 | 141.3 | 216 | 191 |
| 10*10*4 | 250*250*100 | 273.0 | 114.3 | 216 | 184 |
| 12*12*10 | 300*300*250 | 323.8 | 273.0 | 254 | 241 |
| 12*12*8 | 300*300*200 | 323.8 | 219.1 | 254 | 229 |
| 12*12*6 | 300*300*150 | 323.8 | 168.3 | 254 | 219 |
| 12*12*5 | 300*300*125 | 323.8 | 141.3 | 254 | 216 |
| 14*14*12 | 350*350*300 | 355.6 | 323.8 | 279 | 270 |
| 14*14*10 | 350*350*250 | 355.6 | 273.0 | 279 | 257 |
| 14*14*8 | 350*350*200 | 355.6 | 219.1 | 279 | 248 |
| 14*14*6 | 350*350*150 | 355.6 | 168.3 | 279 | 238 |
| 16*16*14 | 400*400*350 | 406.4 | 355.6 | 305 | 305 |
| 16*16*12 | 400*400*300 | 406.4 | 323.8 | 305 | 295 |
| 16*16*10 | 400*400*250 | 406.4 | 273.0 | 305 | 283 |
| 16*16*8 | 400*400*200 | 406.4 | 219.1 | 305 | 273 |
| 16*16*6 | 400*400*150 | 406.4 | 168.3 | 305 | 264 |
| 18*18*16 | 450*450*400 | 457 | 406.4 | 343 | 330 |
| 18*18*14 | 450*450*350 | 457 | 355.6 | 343 | 330 |
| 18*18*12 | 450*450*300 | 457 | 323.8 | 343 | 321 |
| 18*18*10 | 450*450*250 | 457 | 273.0 | 343 | 308 |
| 18*18*8 | 450*450*200 | 457 | 219.1 | 343 | 298 |
| 20*20*18 | 500*500*450 | 508 | 457 | 381 | 368 |
| 20*20*16 | 500*500*400 | 508 | 406.4 | 381 | 356 |
| 20*20*14 | 500*500*350 | 508 | 355.6 | 381 | 356 |
| 20*20*12 | 500*500*300 | 508 | 323.8 | 381 | 346 |
| 20*20*10 | 500*500*250 | 508 | 273.0 | 381 | 333 |
| 20*20*8 | 500*500*200 | 508 | 219.1 | 381 | 324 |
| 22*22*20 | 550*550*500 | 559 | 508 | 419 | 406 |
| 22*22*18 | 550*550*450 | 559 | 457 | 419 | 394 |
| 22*22*16 | 550*550*400 | 559 | 406.4 | 419 | 381 |
| 22*22*14 | 550*550*350 | 559 | 355.6 | 419 | 381 |
| 22*22*12 | 550*550*300 | 559 | 323.8 | 419 | 371 |
| 22*22*10 | 550*550*250 | 559 | 273.0 | 419 | 359 |
| 24*24*22 | 600*600*550 | 610 | 559 | 432 | 432 |
| 24*24*20 | 600*600*500 |
610 | 508 | 432 | 432 |
| 24*24*18 | 600*600*450 | 610 | 457 | 432 | 419 |
| 24*24*16 | 600*600*400 | 610 | 406.4 | 432 | 406 |
| 24*24*14 | 600*600*350 | 610 | 355.6 | 432 | 406 |
| 24*24*12 | 600*600*300 | 610 | 323.8 | 432 | 397 |
| 24*24*10 | 600*600*250 | 610 | 273.0 | 432 | 384 |
| 26*26*24 | 650*650*600 | 660 | 610 | 495 | 483 |
| 26*26*22 | 650*650*550 | 660 | 559 | 495 | 470 |
| 26*26*20 | 650*650*500 | 660 | 508 | 495 | 457 |
| 26*26*18 | 650*650*450 | 660 | 457 | 495 | 444 |
| 26*26*16 | 650*650*400 | 660 | 406.4 | 495 | 432 |
| 26*26*14 | 650*650*350 | 660 | 355.6 | 495 | 432 |
| 26*26*12 | 650*650*300 | 660 | 323.8 | 495 | 432 |
| 28*28*26 | 700*700*650 | 711 | 660 | 521 | 422 |
| 28*28*24 | 700*700*600 | 711 | 610 | 521 | 521 |
| 28*28*22 | 700*700*550 | 711 | 559 | 521 | 508 |
| 28*28*20 | 700*700*500 | 711 | 508 | 521 | 495 |
| 28*28*18 | 700*700*450 | 711 | 457 | 521 | 483 |
| 28*28*16 | 700*700*400 | 711 | 406.4 | 521 | 470 |
| 28*28*14 | 700*700*350 | 711 | 355.6 | 521 | 457 |
| 28*28*12 | 700*700*300 | 711 | 323.8 | 521 | 457 |
| 30*30*28 | 750*750*700 | 762 | 711 | 559 | 448 |
| 30*30*26 | 750*750*650 | 762 | 660 | 559 | 546 |
| 30*30*24 | 750*750*600 | 762 | 610 | 559 | 546 |
| 30*30*22 | 750*750*550 | 762 | 559 | 559 | 533 |
| 30*30*20 | 750*750*500 | 762 | 508 | 559 | 521 |
| 30*30*18 | 750*750*450 | 762 | 457 | 559 | 508 |
| 30*30*16 | 750*750*400 | 762 | 406.4 | 559 | 495 |
| 30*30*14 | 750*750*350 | 762 | 355.6 | 559 | 483 |
| 30*30*12 | 750*750*300 | 762 | 323.8 | 559 | 473 |
| 30*30*10 | 750*750*250 | 762 | 273.0 | 559 | 460 |
| 32*32*30 | 800*800*750 | 813 | 762 | 597 | 584 |
| 32*32*28 | 800*800*700 | 813 | 711 | 597 | 572 |
| 32*32*26 | 800*800*650 | 813 | 660 | 597 | 572 |
| 32*32*24 | 800*800*600 | 813 | 610 | 597 | 559 |
| 32*32*22 | 800*800*550 | 813 | 559 | 597 | 546 |
| 32*32*20 | 800*800*500 | 813 | 508 | 597 | 533 |
| 32*32*18 | 800*800*450 | 813 | 457 | 597 | 521 |
| 32*32*16 | 800*800*400 | 813 | 406.4 | 597 | 508 |
| 32*32*14 | 800*800*350 | 813 | 355.6 | 597 | 508 |
| 34*34*32 | 850*850*800 | 813 | 813 | 635 | 622 |
| 34*34*30 | 850*850*750 | 813 | 762 | 635 | 610 |
| 34*34*28 | 850*850*700 | 813 | 711 | 635 | 597 |
| 34*34*26 | 850*850*650 | 813 | 660 | 635 | 597 |
| 34*34*24 | 850*850*600 | 813 | 610 | 635 | 584 |
| 34*34*22 | 850*850*550 | 813 | 559 | 635 | 572 |
| 34*34*20 | 850*850*500 | 813 | 508 | 635 | 559 |
| 34*34*18 | 850*850*450 | 813 | 457 | 635 | 546 |
| 34*34*16 | 850*850*400 | 813 | 406.4 | 635 | 533 |
GENERAL NOTE: All dimensions are in millimeter.
note: Outlet dimension M for run sizes NPS 14(DN350) and larger is recommended but not required.
Main Export Market
- Eastern Europe
- North America
- Mid East/Africa
- Central/South America
- Asia
- Western Europe
- Australasia
- UAE
U.A.E,
Oman,
Saudi Arabia,
Qatar,
Bahrain,
Egypt,
Turkey
Singapore,
Thailand,
Malaysia
Indonesia
Poland
Italy
Portugal
Spain
Brazil
Chile
Venezuela
Costa Rica
USA
Canada
Angola
Sri Lanka
Russia
→ PRODUCTS
- Flanges
- Butt-Welding Fittings
- 90° Long Radius Elbow
- 90° Short Radius Elbow
- 45° Long Radius Elbow
- 45° Short Radius Elbow
- 180° Long Radius Elbow
- 180° Short Radius Elbow
- 1D Elbow
- 1.5D Elbow
- 3D Elbow
- 5D Elbow
- Seamless Buttwelding 45° and 90° Elbows
- Welded Elbows
- Seamless Buttwelding 180° Returns
- Straight Tees and Crosses
- Reducing Outlet Tees and Reducing Outlet Crosses
- Equal Tee
- Reducing Tee
- Equal Cross
- Reducing Cross
- Reducers
- Concentric Reducer
- Eccentric Reducer
- Stub End
- Lap Joint Stub Ends
- Long Stubend
- Short Stubend
- Pipe Cap
- End Cap
- Collar
- Swedge Nipple
- Pipe Nipples
- Barrel Nipple
- Reducing Nipple
- Bend
- Long Radius Bend
- Piggable Bend
- Lateral
- Forged Fittings Type Thread Fittings
- Forged Fittings Type Socket Weld
- Fasteners
- Pipes & Tubes
- Sheets & Plates
- Round Bar
- Forgings
- Welding Electrodes

We are regular suppliers from India for ASME B16.9 Reducing Outlet Tees and Reducing Outlet Crosses
|
||||||||||||||||||||||||||||

