Products / Stainless Steel / Stainless steel pipe fittings / Butt weld Reducing Tee
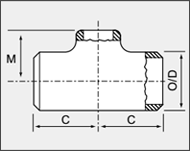
Pipe Tee is a type of pipe fitting which is T-shaped having two outlets, at 90° to the connection to the main line. It is a short piece of pipe with a lateral outlet. Pipe Tee is used to connect pipelines with a pipe at a right angle with the line.
|
Size Schedule Type Form Materials Brand Name Certification Minimum Order Quantity Packaging Details Delivery Time Payment Terms Supply Ability |
1/2"NB TO 48"NB IN SCH20, SCH30, SCH40, STD, SCH80, XS, SCH60, SCH80, SCH120, SCH140, SCH160, XXS Seamless / ERW / Welded / Fabricated Equal Tee, Reducing Tee, Barred Tee, Lateral Tee. Stainless Steel Equal Tee – SS Equal Tee ASTM A403 WP Gr. 304, 304H, 309, 310, 316, 316L, 317L, 321, 347, 904L SMT/Os-lok EN 10204 3.1/ EN 10204 3.2/ NACE MR 0175 l0 PCS / $ 1000 USD Bundles, seaworthy wooden cases.With or without edge protector, steel hoop and seals, or as per customer specification FROM STOCK/ TWO WEEKS T.T. / L.C 2000ton per month |
- Butt weld reducers
- Butt weld pipe nipple
- Butt weld stub ends
- Butt weld end cap
- Butt weld elbow
- Butt weld steel adapters
REDUCING TEES
The reducing tee is
manufactured with the
branch outlet smaller than the
run to obtain the desired flow
and pressure through the
system.
Customers can avail Forged Reducing Tees, Reducing Tees Socket Weld, Reducing Tees Threaded, Seamless Reducing Tees, Welded Reducing Tees from us. Reducing tees are exactly that, all three ends are of the same size. Reducing tees come with a combination of different outlet sizes.
Reducing Tees are used to connect the pipes of different diameters and change the direction of pipe flow.
Materials:
Carbon steel: Carbon steel: ASTM A234 WPB, WPC, ASTM A420 WPL1, WPL3, WPL6 and WPHY-42/46/52/56/60/65/70
Stainless steel: ASTM A403 WP304/304L, WP316/316/L, WP321, WP347 and WPS31254
Alloy steel: ASTM A234 WP1/WP12/WP11/WP22/WP5/WP7/WP9/WP91
Duplex and super duplex steel: ASTM A815 UNS S31803/S32750/S32760
Special alloy steel: Monel400 and Inconel 600/800/825/C276, Ceramic Lined
→ PRODUCTS
- Flanges
- Butt-Welding Fittings
- 90° Long Radius Elbow
- 90° Short Radius Elbow
- 45° Long Radius Elbow
- 45° Short Radius Elbow
- 180° Long Radius Elbow
- 180° Short Radius Elbow
- 1D Elbow
- 1.5D Elbow
- 3D Elbow
- 5D Elbow
- Seamless Buttwelding 45° and 90° Elbows
- Welded Elbows
- Seamless Buttwelding 180° Returns
- Straight Tees and Crosses
- Reducing Outlet Tees and Reducing Outlet Crosses
- Equal Tee
- Reducing Tee
- Equal Cross
- Reducing Cross
- Reducers
- Concentric Reducer
- Eccentric Reducer
- Stub End
- Lap Joint Stub Ends
- Long Stubend
- Short Stubend
- Pipe Cap
- End Cap
- Collar
- Swedge Nipple
- Pipe Nipples
- Barrel Nipple
- Reducing Nipple
- Bend
- Long Radius Bend
- Piggable Bend
- Lateral
- OTHERS
- Stainless steel pipe fittings
- Stainless steel butt weld pipe fittings
- Stainless steel butt weld tee
- Stainless steel butt weld reducers
- Stainless steel butt weld pipe nipple
- Stainless steel butt weld stub ends
- Stainless steel butt weld end cap
- Stainless steel butt weld elbow
- Butt weld steel adapters
- Stainless steel forged fittings
- Forged elbow
- Forged tee
- Forged end caps
- Forged steel adapters
- Forged pipe nipples
- Stainless socket weld fittings
- High pressure fittings
- Forged Fittings Type Thread Fittings
- Forged Fittings Type Socket Weld
- Fasteners
- Pipes & Tubes
- Sheets & Plates
- Round Bar
- Forgings
- Welding Electrodes


We are regular suppliers from India for ASME B16.9 Butt-Welding Fittings

